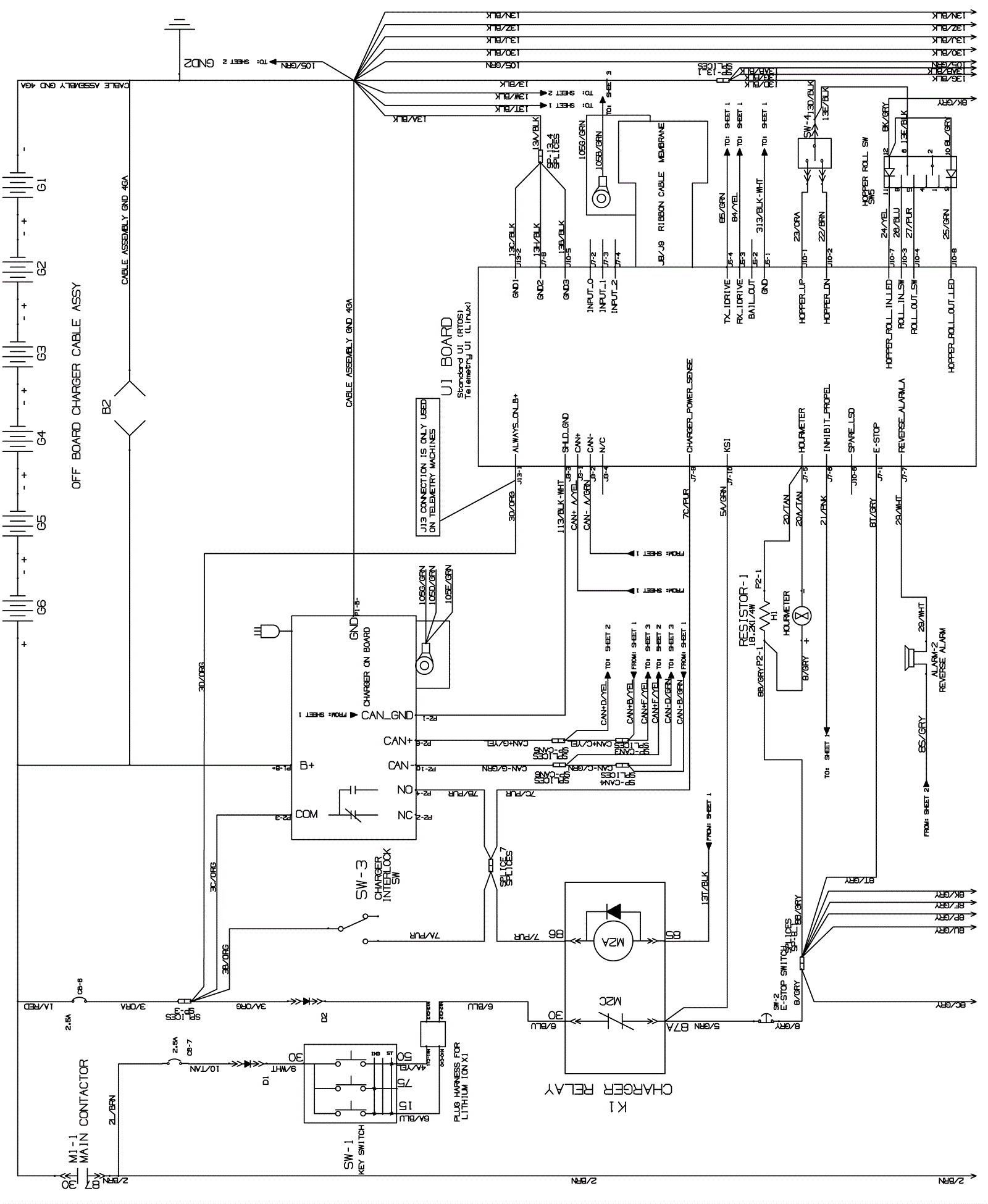
Electrical Schematic-1
Click to enlarge