| # | Part | Description | Price | Req | Notes | Availability |
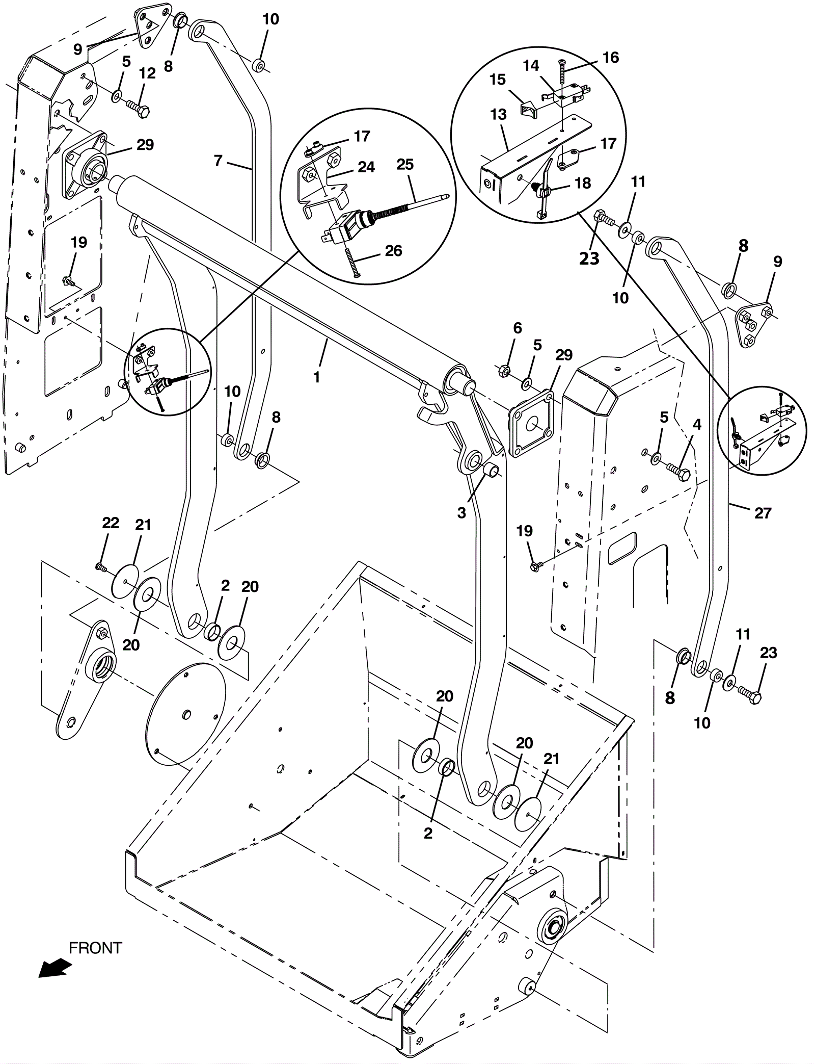
1 |
375-8342
|
Lower arm hopper kit |
$1,477.96
|
1 |
(includes 2-3) |
usually ships 10-13 days |
2 |
375-8343
|
Sleeve bushing |
$30.58
|
2 |
|
usually ships 10-13 days |
3 |
275-8465
|
BUSHING, SLEEVE, 0.88B 1.00D 0.75L, BNZ (Tennant Industrial |
$19.17
|
1 |
|
usually ships 1-5 days |
4 |
175-0647
|
SCREW, HEX, M12 X 1.75 X 40, 8.8 (Tennant Industrial) |
$6.67
|
8 |
|
usually ships 1-5 days |
5 |
999-0114
|
Washer 1/2 SAE flat |
$0.99
|
22 |
|
ships same day |
6 |
999-0519
|
Nut M12-1.75 nylon insert lock stainless steel |
$3.85
|
8 |
|
ships same day |
7a |
375-8344
|
Right hand upper arm hopper kit |
$525.47
|
1 |
(includes 7b-8) |
usually ships 10-13 days |
7b |
375-8345
|
Upper lift arm |
Call for price
|
1 |
|
usually ships 10-13 days |
8 |
375-8346
|
Flange bushing |
$16.67
|
4 |
|
usually ships 10-13 days |
9 |
375-8347
|
Tower plate weldment |
$43.18
|
2 |
|
usually ships 10-13 days |
10 |
375-8348
|
Sleeve |
$35.97
|
4 |
|
usually ships 10-13 days |
11 |
999-0187
|
Washer 1/2 flat plain finish |
$0.99
|
2 |
|
ships same day |
12 |
175-6784
|
Screw M12- 1.75 x 30mm hexhead |
$5.28
|
6 |
|
usually ships 1-5 days |
13 |
375-8349
|
Hopper switch weldment |
$73.68
|
1 |
|
usually ships 10-13 days |
14 |
375-0226
|
Mircroswitch |
$11.11
|
1 |
|
ships same day |
15 |
175-4723
|
Switch boot |
$16.50
|
1 |
|
usually ships 10-13 days |
16 |
999-1040
|
Screw M3-.5 x 20mm pan head |
$0.99
|
2 |
|
ships same day |
17 |
175-7839
|
Switch plate |
$36.08
|
2 |
|
usually ships 10-13 days |
18 |
275-5197
|
Fir tree clip |
$2.38
|
1 |
|
usually ships 10-13 days |
19 |
999-1383
|
Screw M6-1 x 16mm hex head stainless steel |
$3.96
|
2 |
|
ships same day |
20 |
275-0562
|
WASHER, FLAT, 1.26B 3.00D .12, PYE (Tennant Industrial) |
$7.33
|
2 |
|
usually ships 1-5 days |
21 |
375-8350
|
Retainer plate |
$9.00
|
2 |
|
usually ships 10-13 days |
22 |
275-2235
|
SCREW, BTN, M8 X 1.25 X 16, SS (Tennant Industrial) |
$10.84
|
2 |
|
usually ships 1-5 days |
23 |
999-0504
|
Bolt M12-1.75 x 35mm hex hd stainless steel full thread |
$4.82
|
3 |
|
ships same day |
24 |
375-8351
|
Switch mounting bracket weldment |
$58.41
|
1 |
|
usually ships 10-13 days |
25 |
375-9052
|
Wobble switch (Tennant Industrial) |
$107.69
|
1 |
|
usually ships 10-13 days |
26 |
999-1520
|
Screw M3-.5 x 30mm pan head phillips zinc plated |
$0.99
|
2 |
|
ships same day |
27a |
375-8352
|
Left hand upper arm hopper kit |
$525.47
|
1 |
(includes 27b-28) |
usually ships 10-13 days |
27b |
375-8345
|
Upper lift arm |
Call for price
|
1 |
|
usually ships 10-13 days |
29 |
375-8353
|
Flange bearing |
$106.26
|
2 |
|
usually ships 10-13 days |