| # | Part | Description | Price | Req | Notes | Availability |
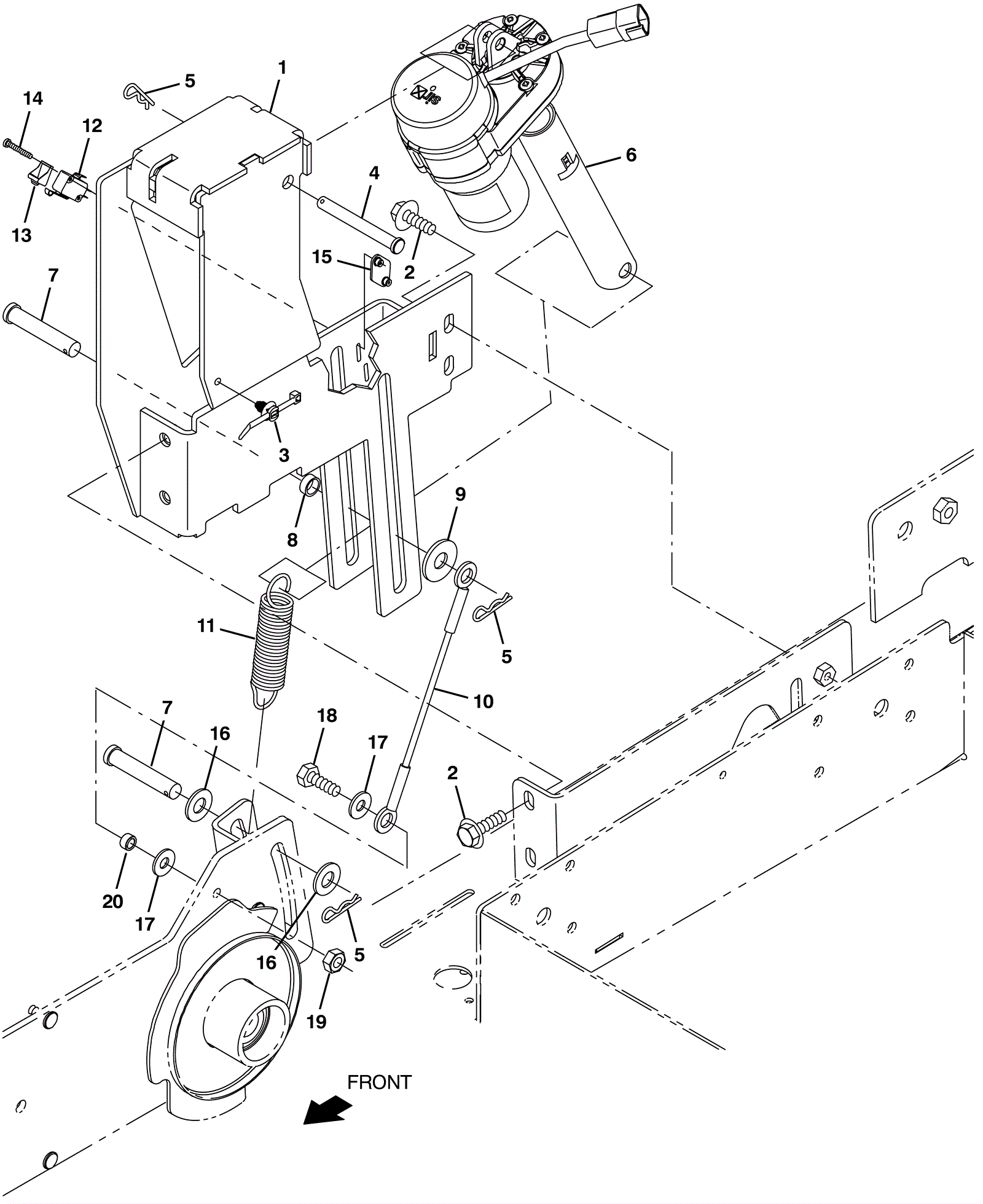
1 |
375-8237
|
Actuator mount weldment |
$207.35
|
1 |
|
usually ships 10-13 days |
2 |
999-9082
|
Screw M8-1.25 x 25mm hex head stainless steel |
$1.85
|
4 |
|
ships same day |
3 |
275-5197
|
Fir tree clip |
$2.38
|
1 |
|
usually ships 10-13 days |
4 |
275-8362
|
PIN, CLEVIS, 0.37D X 3.25L (Tennant Industrial) |
$9.30
|
1 |
|
ships same day |
5 |
175-2117
|
Cotter pin |
$5.28
|
3 |
|
usually ships 10-13 days |
6 |
475-3894
|
ACTUATOR, 24VDC, 7.00STRK, 0600LB[STD] |
$334.40
|
1 |
|
usually ships 10-13 days |
7 |
175-2591
|
Clevis pin |
$5.50
|
2 |
|
usually ships 1-5 days |
8 |
175-2743
|
Sleeved bushing |
$5.15
|
1 |
|
usually ships 10-13 days |
9 |
999-0114
|
Washer 1/2 SAE flat |
$0.99
|
1 |
|
ships same day |
10 |
375-8238
|
Lift cable |
$24.42
|
1 |
|
usually ships 10-13 days |
11 |
575-4216
|
SPRING, EXTN (Tennant Industrial) |
$44.51
|
1 |
|
usually ships 10-13 days |
12 |
375-0226
|
Mircroswitch |
$11.11
|
1 |
|
ships same day |
13 |
175-4723
|
Switch boot |
$16.50
|
1 |
|
usually ships 10-13 days |
14 |
999-1040
|
Screw M3-.5 x 20mm pan head |
$0.99
|
2 |
|
ships same day |
15 |
175-7839
|
Switch plate |
$36.08
|
1 |
|
usually ships 10-13 days |
16 |
999-0114
|
Washer 1/2 SAE flat |
$0.99
|
2 |
|
ships same day |
17 |
999-0355
|
Washer 3/8 x 7/8 SAE flat stainless steel |
$0.99
|
2 |
|
ships same day |
18 |
999-0501
|
Bolt M8-1.25 x 25mm hex head full thread stainless steel |
$2.64
|
1 |
|
ships same day |
19 |
999-0496
|
Nut M8-1.25 nylon insert lock stainless steel |
$1.34
|
1 |
|
ships same day |
20 |
175-6830
|
BUSHING, SLEEVE, 0.50B 0.59D 0.25L, OIB (Tennant Industrial |
$12.34
|
1 |
|
usually ships 1-5 days |