| # | Part | Description | Price | Req | Notes | Availability |
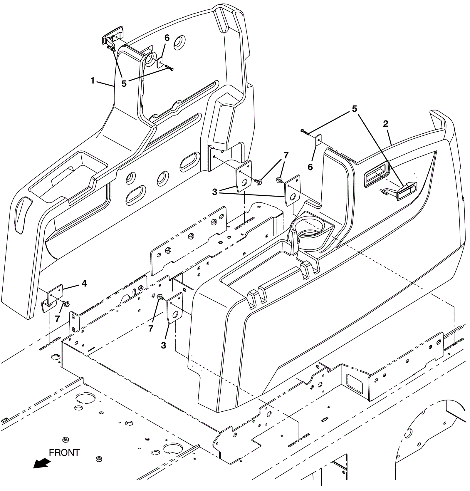
1 |
375-8188
|
Right hand side cover |
$665.39
|
1 |
|
usually ships 10-13 days |
2 |
375-8189
|
Left hand side cover |
$752.84
|
1 |
|
usually ships 10-13 days |
3 |
375-8190
|
Side cover plate |
$16.00
|
3 |
|
usually ships 10-13 days |
4 |
375-8191
|
Right hand front cover plate |
$28.51
|
1 |
|
usually ships 10-13 days |
5 |
275-0047
|
Latch |
$73.48
|
2 |
|
usually ships 10-13 days |
6 |
475-8758
|
PLATE, LATCH [T17] (Tennant Industrial) |
$5.83
|
2 |
|
usually ships 10-13 days |
7 |
999-1383
|
Screw M6-1 x 16mm hex head stainless steel |
$3.96
|
8 |
|
ships same day |