| # | Part | Description | Price | Req | Notes | Availability |
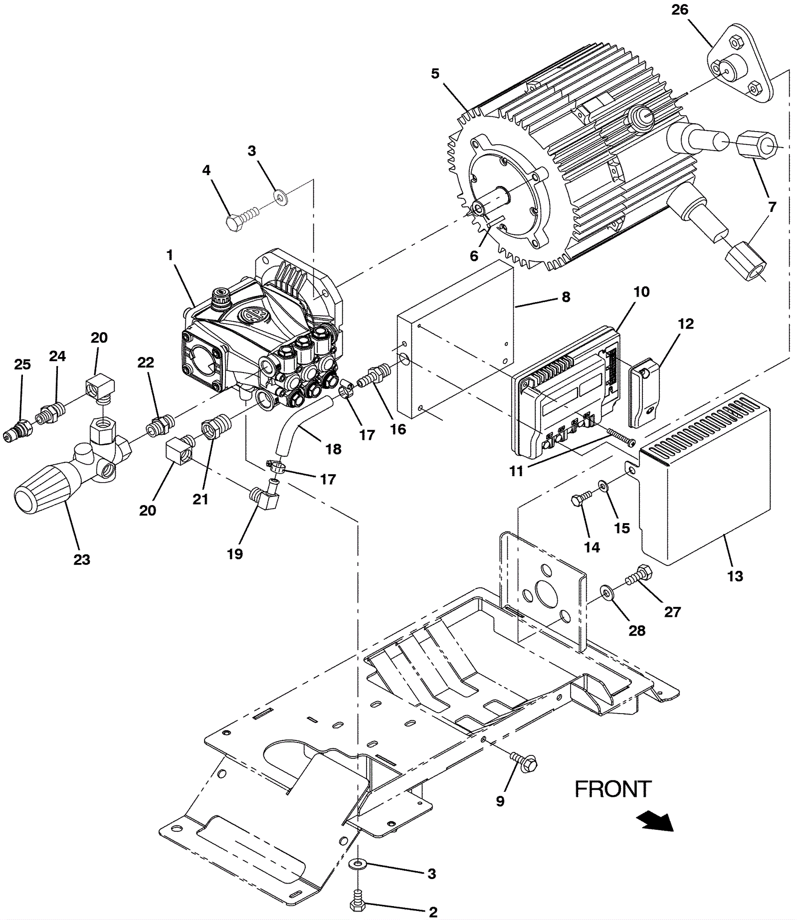
1 |
675-9645
|
PUMP, PRESSURE WASHER (Tennant Industrial) |
$1,517.14
|
1 |
|
usually ships 10-13 days |
2 |
999-0783
|
Screw M8-1.25 x 16mm hex head |
$0.99
|
4 |
|
ships same day |
3 |
999-0024
|
Washer 5/16 flat stainless steel |
$1.34
|
8 |
|
ships same day |
4 |
999-0039
|
Bolt 3/8-16 x 1 1/4 hex head grade 5 zinc plated |
$0.99
|
4 |
|
ships same day |
5 |
675-9646
|
MOTOR, ELE, 24-72VDC 3400RPM 6.71HP (Tennant Inudstrial) |
$2,859.41
|
1 |
|
usually ships 10-13 days |
6 |
175-3200
|
Square keyway |
$4.49
|
1 |
|
ships same day |
7 |
575-0329
|
INDUCTOR, 12.7MMID [156 IMP AT 25MHZ] (Tennant Industrial) |
$13.84
|
2 |
|
usually ships 10-13 days |
8 |
675-9647
|
BLOCK, COOLING, PRESS WASH (Tennant Industrial) |
$627.63
|
1 |
|
usually ships 10-13 days |
9 |
275-4736
|
Screw M8-1.25 x 20mm hex washer head stainless steel SEMS |
$4.49
|
2 |
|
ships same day |
10 |
675-9648
|
CONTROLLER, PROPEL [36VDC,200A, I-DRIVE] (Tennant Industrial |
$1,252.58
|
1 |
|
usually ships 10-13 days |
11 |
375-3491
|
Screw (Tennant Industrial) |
$3.00
|
2 |
|
usually ships 10-13 days |
13 |
675-9650
|
COVER, WASH, PRESS [I-DRIVE] (Tennant Industrial) |
$71.68
|
1 |
|
usually ships 10-13 days |
14 |
999-0507
|
Bolt M6-1 x 16mm hex head full thread plain finish |
$0.99
|
2 |
|
ships same day |
15 |
999-0016
|
Washer 1/4 flat plain finish |
$0.99
|
2 |
|
ships same day |
16 |
175-4808
|
Hose barb |
$5.50
|
1 |
|
usually ships 10-13 days |
17 |
175-3594
|
Hose clamp |
$5.28
|
10 |
|
usually ships 10-13 days |
18 |
275-4939
|
1 foot PVC hose clear |
$20.35
|
1 |
|
usually ships 10-13 days |
19 |
275-7863
|
90 degree brass elbow (Tennant Industrial) |
$13.84
|
1 |
|
usually ships 10-13 days |
20 |
275-8231
|
FITTING, BRS, E90, PF06/PM06, SPCL (Tennant Industrial) |
$11.00
|
2 |
|
usually ships 10-13 days |
21 |
475-9507
|
FITTING, BRS, STR, PF06/PM08 (Tennant Industrial) |
$8.17
|
1 |
|
usually ships 10-13 days |
22 |
375-4454
|
Fitting (Tennant Industrial) |
$35.01
|
1 |
|
usually ships 10-13 days |
23 |
675-9649
|
VALVE, NEEDLE, [M17/T17] (Tennant Industrial) |
$161.53
|
1 |
|
usually ships 10-13 days |
24 |
375-1070
|
Brass fitting (Tennant Industrial) |
$11.17
|
1 |
|
usually ships 10-13 days |
25 |
375-1071
|
Stainless steel fitting (Tennant Industrial) |
$84.52
|
1 |
|
usually ships 10-13 days |
26 |
675-9651
|
BRACKET WLDT, SPPT, MOTOR (Tennant Industrial) |
$263.05
|
1 |
|
usually ships 10-13 days |
27 |
999-1372
|
Bolt M10-1.5 x 25mm hex head stainless steel |
$3.56
|
3 |
|
ships same day |
28 |
275-6982
|
Washer |
$5.28
|
3 |
|
usually ships 1-5 days |