| # | Part | Description | Price | Req | Notes | Availability |
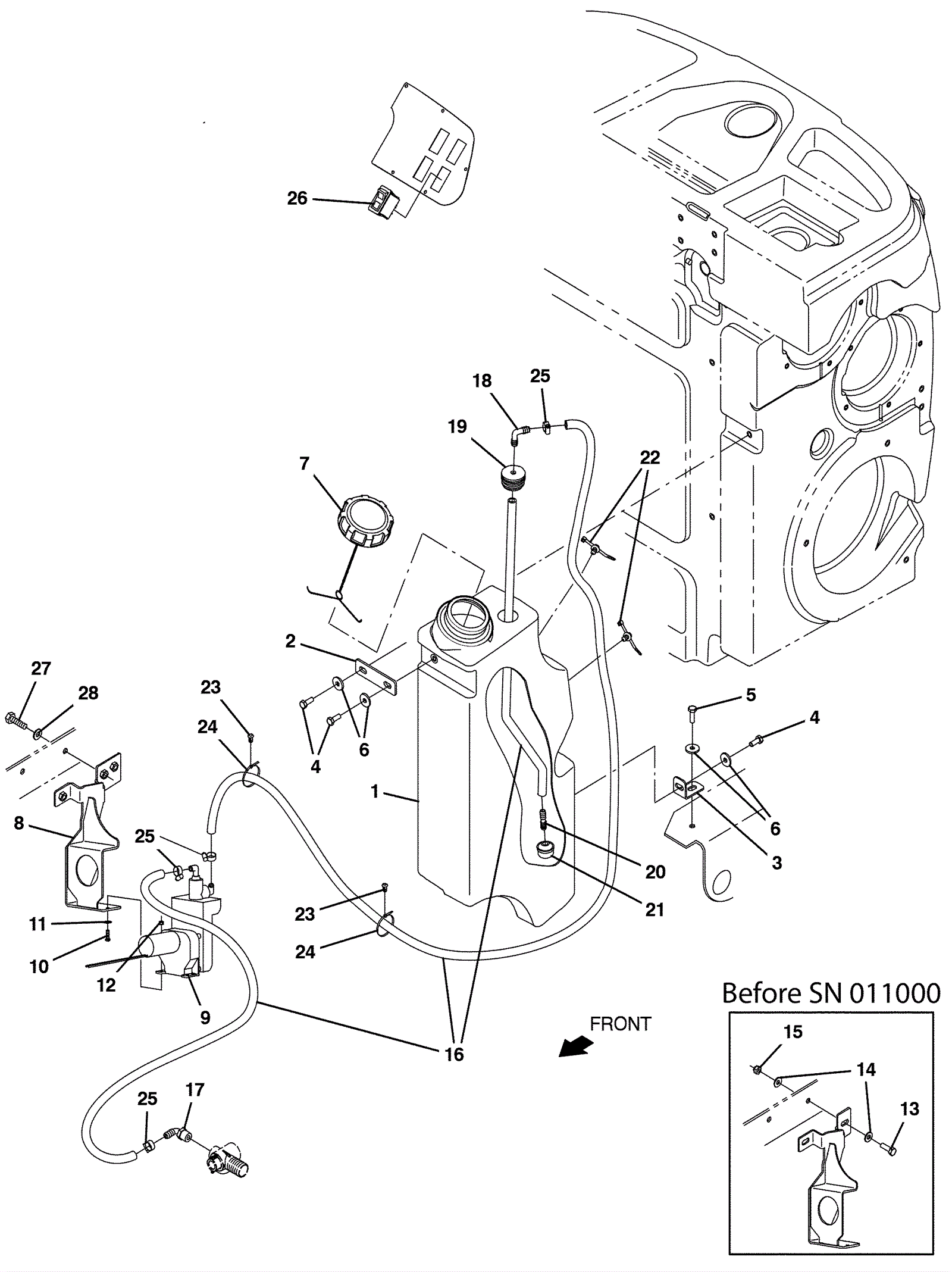
1 |
675-5856
|
TANK KIT, DETERGENT, AFMKT [T17] (Tennant Industrial) |
$931.52
|
1 |
|
usually ships 10-13 days |
2 |
475-8897
|
PLATE, MTG, TANK, DETERGENT (Tennant Industrial) |
$6.67
|
1 |
|
usually ships 10-13 days |
3 |
475-9715
|
BRACKET, MTG, TANK, DETERGENT (Tennant Industrial) |
$11.00
|
1 |
|
usually ships 10-13 days |
4 |
999-0499
|
Bolt M8-1.25 x 20mm hex head full thread stainless steel |
$1.85
|
1 |
|
ships same day |
5 |
999-0785
|
Screw M8-1.25 x 30mm hex head stainless steel |
$2.24
|
3 |
|
ships same day |
6 |
175-7920
|
Washer M8 flat stainless steel |
$4.49
|
1 |
|
ships same day |
7 |
275-8185
|
Tank cap |
$75.24
|
4 |
|
ships same day |
8a |
575-6968
|
BRACKET WLDT, PUMP (Tennant Industrial) |
$92.52
|
1 |
(before SN 011000) |
usually ships 10-13 days |
8b |
575-7193
|
BRACKET WLDT, PUMP (Tennant Industrial) |
$97.69
|
1 |
(after SN 010999) |
usually ships 10-13 days |
9 |
275-8706
|
PUMP, DETGT, 36VDC (Tennant Industrial) |
$1,303.26
|
1 |
|
usually ships 1-5 days |
10 |
999-9113
|
Screw M4-.7 x 16mm pan head phillips stainless steel |
$0.99
|
2 |
|
ships same day |
11 |
999-0998
|
Washer #10 flat stainless steel |
$0.99
|
2 |
|
ships same day |
12 |
999-0954
|
Nut M4-.7 nylon insert lock stainless steel |
$0.99
|
2 |
|
ships same day |
13 |
999-0501
|
Bolt M8-1.25 x 25mm hex head full thread stainless steel |
$2.64
|
2 |
(before SN 011000) |
ships same day |
14 |
999-0123
|
Washer 1/4 SAE flat zinc plated |
$0.99
|
4 |
(before SN 011000) |
ships same day |
15 |
999-0496
|
Nut M8-1.25 nylon insert lock stainless steel |
$1.34
|
2 |
(before SN 011000) |
ships same day |
16 |
575-7727
|
HOSE, AFMKT, PVC, BRD, 0.38ID, 20FT, CLR (Tennant Industrial |
$99.02
|
1 |
|
usually ships 10-13 days |
17 |
175-7933
|
90 degree plastic elbow |
$7.37
|
1 |
|
usually ships 10-13 days |
18 |
175-8716
|
FITTING, PLSTC, E90, BM06/BM06 (Tennant Industrial) |
$6.67
|
1 |
|
usually ships 10-13 days |
19 |
275-8702
|
GROMMET, PYE, 0.37ID, F/1.5H, .13 MATL (Tennant Industrial) |
$45.34
|
1 |
|
usually ships 10-13 days |
20 |
275-8703
|
Straight plastic fitting (Tennant Industrial) |
$6.67
|
1 |
|
usually ships 10-13 days |
21 |
275-8704
|
SCREEN, PUMP (Tennant Industrial) |
$22.67
|
1 |
|
usually ships 1-5 days |
22 |
275-5197
|
Fir tree clip |
$2.38
|
2 |
|
usually ships 10-13 days |
23 |
275-5370
|
Clip |
$1.98
|
4 |
|
usually ships 1-5 days |
24 |
175-7795
|
Cable tie |
$5.15
|
6 |
|
ships same day |
25 |
175-3594
|
Hose clamp |
$5.28
|
4 |
|
usually ships 10-13 days |
26 |
575-7876
|
SWITCH, ROCKER [MOM,OFF,MOM, DUAL LED] (Tennant Industrial) |
$105.19
|
1 |
(only for severe environment) |
usually ships 10-13 days |
27 |
999-0785
|
Screw M8-1.25 x 30mm hex head stainless steel |
$2.24
|
2 |
|
ships same day |
28 |
999-0123
|
Washer 1/4 SAE flat zinc plated |
$0.99
|
2 |
|
ships same day |