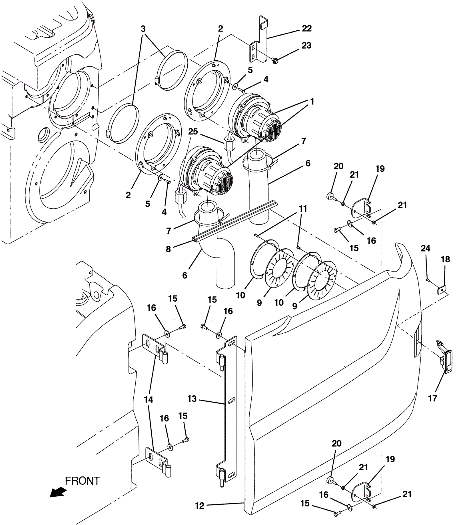
| # | Part | Description | Price | Req | Notes | Availability |
1a |
275-7692
|
Vacuum fan |
$288.20
|
2 |
(includes 1b) |
usually ships 10-13 days |
1b |
275-7693
|
Carbon brush (pkg of 2) |
$29.92
|
1 |
|
usually ships 10-13 days |
2 |
275-7694
|
Vacuum fan seal assembly |
$40.81
|
2 |
|
usually ships 10-13 days |
3 |
275-7695
|
Hose clamp (Tennant Industrial) |
$15.67
|
2 |
|
usually ships 10-13 days |
4 |
999-1312
|
Screw M6-1 x 20mm hex head stainless steel |
$0.99
|
10 |
|
ships same day |
5 |
275-0093
|
WASHER, FLAT, 0.28B 1.00D .06, STL (Tennant Industrial) |
$5.00
|
10 |
|
usually ships 10-13 days |
6 |
275-7696
|
Vacuum fan muffler |
$36.08
|
2 |
|
usually ships 10-13 days |
7 |
175-7795
|
Cable tie |
$5.15
|
2 |
|
ships same day |
8 |
375-3230
|
Dual seal (Tennant Industrial) |
$26.51
|
1 |
|
ships same day |
9 |
575-0644
|
SEAL, DOOR, VAC FAN, RBR (Tennant Industrial) |
$16.84
|
2 |
|
usually ships 10-13 days |
10 |
575-0497
|
RETAINER, SEAL, DOOR, VAC FAN (Tennant Industrial) |
$16.17
|
2 |
|
usually ships 10-13 days |
11 |
175-5918
|
SCREW, PAN, PHL, 12-16 X 0.50, F/ PLSTC (Tennant Industrial |
$4.17
|
8 |
|
ships same day |
12a |
675-5572
|
COVER, SIDE, LH, AFMKT [T17] (Tennant Industrial) |
$825.50
|
1 |
(before SN 013000) |
usually ships 10-13 days |
12b |
675-9588
|
COVER, SIDE, LH, STD, AFMKT [T/M17] (Tennant Industrial) |
$1,756.68
|
1 |
(after SN 012999) |
usually ships 10-13 days |
13 |
575-9098
|
HINGE, WLDT, LH (Tennant Industrial) |
$141.36
|
1 |
|
usually ships 10-13 days |
14 |
475-3421
|
HINGE WLDT, [T/M17] |
$33.00
|
2 |
|
usually ships 10-13 days |
15 |
999-0784
|
Screw M8-1.25 x 16mm hex head stainless steel |
$1.74
|
11 |
|
ships same day |
16 |
999-0032
|
Washer 3/8 USS flat plain finish |
$2.42
|
11 |
|
ships same day |
17 |
275-0047
|
Latch |
$73.48
|
1 |
|
usually ships 10-13 days |
18 |
475-8758
|
PLATE, LATCH [T17] (Tennant Industrial) |
$5.83
|
1 |
|
usually ships 10-13 days |
19 |
575-0222
|
BRACKET, BMPR (Tennant Industrial) |
$13.17
|
2 |
|
usually ships 10-13 days |
20 |
275-8308
|
BUMPER, RBR, 1.0D 0.38TH .25-20 (Tennant Industrial) |
$21.50
|
2 |
|
usually ships 10-13 days |
21 |
999-0190
|
Nut 1/4-20 hex plain finish |
$0.99
|
4 |
|
ships same day |
22 |
575-1721
|
BRACKET, LATCH, LH PANEL [T17] (Tennant Industrial) |
$26.51
|
1 |
|
usually ships 10-13 days |
23 |
275-4736
|
Screw M8-1.25 x 20mm hex washer head stainless steel SEMS |
$4.49
|
2 |
|
ships same day |
24 |
999-0901
|
Screw M5-.8 x 16mm pan head phillips stainless steel |
$0.99
|
1 |
|
ships same day |
25 |
575-0329
|
INDUCTOR, 12.7MMID [156 IMP AT 25MHZ] (Tennant Industrial) |
$13.84
|
2 |
|
usually ships 10-13 days |