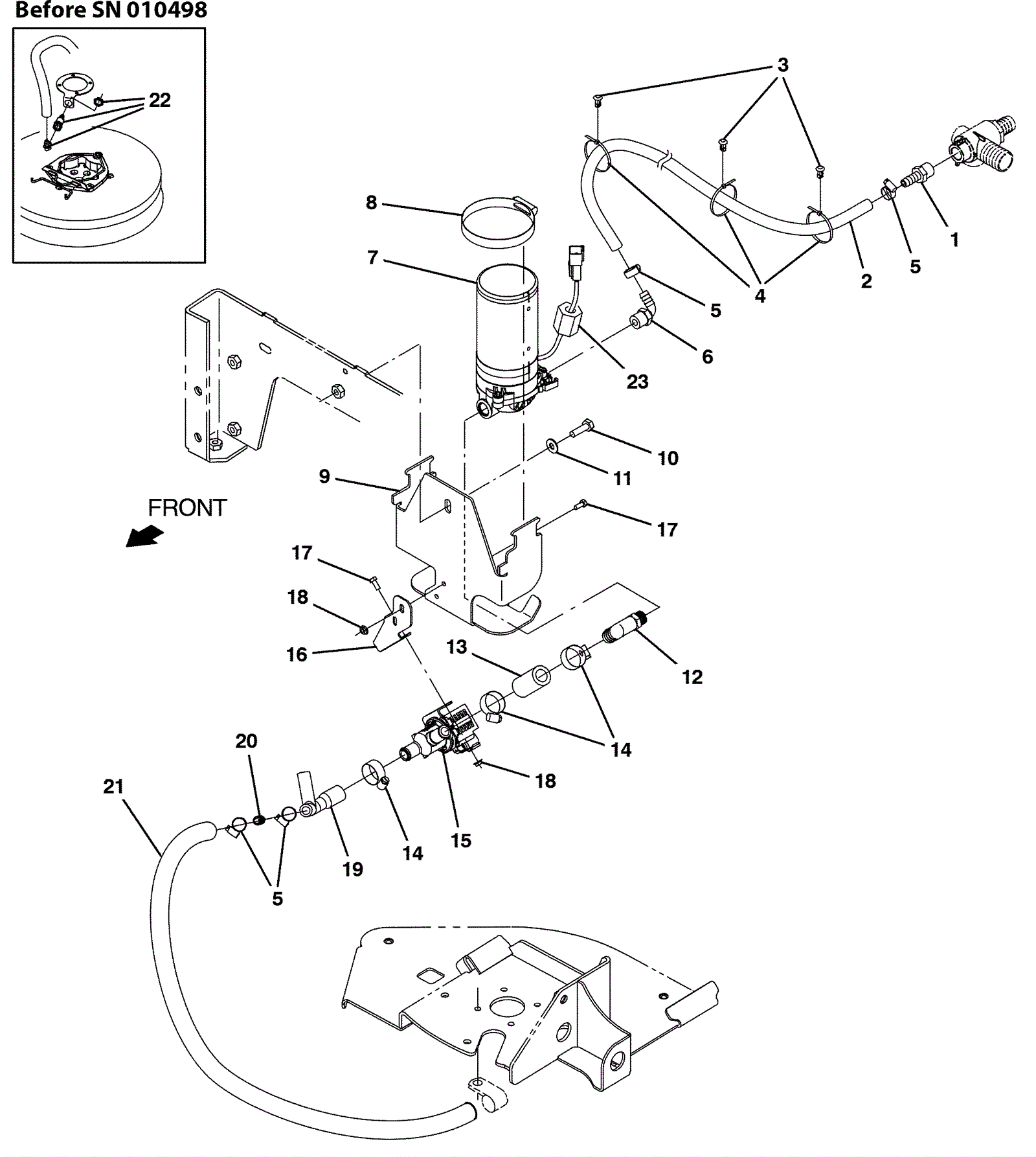
| # | Part | Description | Price | Req | Notes | Availability |
1 |
175-4808
|
Hose barb |
$5.50
|
1 |
|
usually ships 10-13 days |
2 |
275-1534
|
3 foot PVC hose (braided) (Tennant Industrial) |
$54.68
|
1 |
|
usually ships 10-13 days |
3 |
275-5370
|
Clip |
$1.98
|
3 |
|
usually ships 1-5 days |
4 |
175-7795
|
Cable tie |
$5.15
|
3 |
|
ships same day |
5 |
175-3594
|
Hose clamp |
$5.28
|
4 |
|
usually ships 10-13 days |
6 |
175-7933
|
90 degree plastic elbow |
$7.37
|
1 |
|
usually ships 10-13 days |
7 |
275-7801
|
36V solution pump |
$233.64
|
1 |
|
usually ships 10-13 days |
8 |
997-2009
|
Hose clamp |
$3.30
|
1 |
|
ships same day |
9a |
575-4052
|
BRACKET, PUMP (Tennant Industrial) |
$47.51
|
1 |
(before SN 011000) |
usually ships 10-13 days |
9b |
575-5112
|
BRACKET, PUMP (Tennant Industrial) |
$62.01
|
1 |
(after SN 010999) |
usually ships 10-13 days |
10 |
999-0501
|
Bolt M8-1.25 x 25mm hex head full thread stainless steel |
$2.64
|
|
|
ships same day |
11 |
999-0123
|
Washer 1/4 SAE flat zinc plated |
$0.99
|
1 |
|
ships same day |
12 |
475-9716
|
FITTING, PLSTC, E90, BM10/PM06 (Tennant Industrial) |
$9.50
|
1 |
|
usually ships 10-13 days |
13 |
275-5566
|
2 foot braided PVC hose (clear) |
$72.05
|
1 |
|
usually ships 1-5 days |
14 |
175-0199
|
Hose clamp |
$7.15
|
3 |
|
usually ships 10-13 days |
15a |
675-0197
|
VALVE KIT, REPLACEMENT 36V HI FLOW (Tennant Industrial) |
$179.87
|
1 |
(before SN 011670) |
usually ships 10-13 days |
15b |
675-0825
|
VALVE, WATER, SOLENOID - 36V (Tennant Industrial) |
$233.55
|
1 |
(after SN 011669) |
usually ships 10-13 days |
16 |
575-4597
|
BRACKET, MOUNT, SBA VALVE (Tennant Industrial) |
$54.68
|
1 |
|
usually ships 10-13 days |
17 |
999-1220
|
Screw M5-.8 x 12mm hex head stainless steel |
$0.99
|
4 |
|
ships same day |
18 |
275-8551
|
Nut M5-.8 x 16mm hex flange (Tennant Industrial) |
$9.50
|
4 |
|
usually ships 1-5 days |
19 |
575-8272
|
MANIFOLD, SBA (Tennant Industrial) |
$113.69
|
1 |
|
usually ships 10-13 days |
20 |
275-8703
|
Straight plastic fitting (Tennant Industrial) |
$6.67
|
1 |
|
usually ships 10-13 days |
21 |
275-7845
|
8 foot clear PVC hose (Tennant Industrial) |
$52.68
|
1 |
|
usually ships 1-5 days |
22 |
575-5019
|
HOSE KIT, BRUSH, SIDE [T17] (Tennant Industrial) |
$55.01
|
1 |
(before SN 010498) |
usually ships 10-13 days |
23 |
375-4507
|
Split case inductor |
$6.71
|
1 |
|
ships same day |