| # | Part | Description | Price | Req | Notes | Availability |
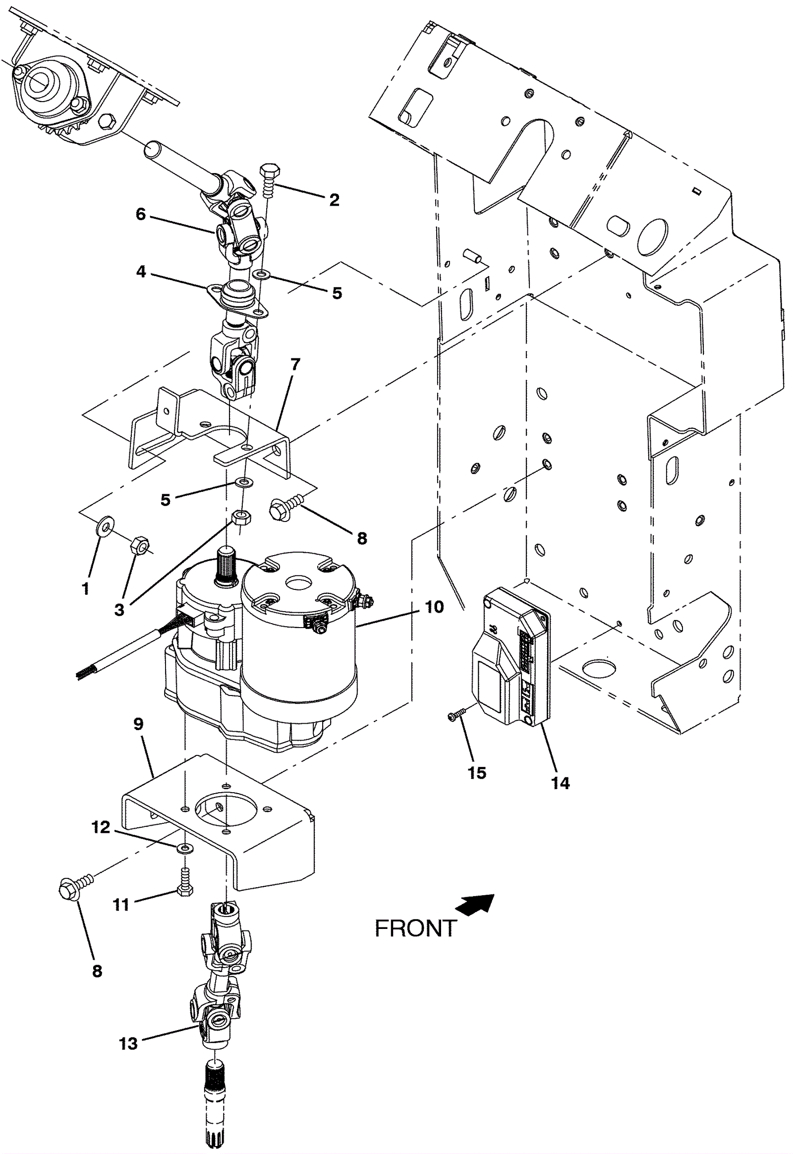
1 |
999-0024
|
Washer 5/16 flat stainless steel |
$1.34
|
4 |
|
ships same day |
2 |
999-0499
|
Bolt M8-1.25 x 20mm hex head full thread stainless steel |
$1.85
|
2 |
|
ships same day |
3 |
999-0471
|
Nut M8-1.25 nylon insert lock zinc plated |
$0.99
|
5 |
|
ships same day |
4 |
175-3201
|
Flanged bearing |
$6.49
|
1 |
|
usually ships 10-13 days |
5 |
999-0549
|
Washer 5/16 x 3/4 SAE flat stainless steel |
$0.99
|
4 |
|
ships same day |
6 |
675-4220
|
SHAFT, STEERING, POWER, UPPER (Tennant Industrial) |
$530.44
|
1 |
|
usually ships 10-13 days |
7 |
575-6474
|
BRACKET, BRG, STEERING (Tennant Industrial) |
$83.68
|
1 |
|
usually ships 10-13 days |
8 |
275-4736
|
Screw M8-1.25 x 20mm hex washer head stainless steel SEMS |
$4.49
|
7 |
|
ships same day |
9 |
575-7177
|
BRACKET, SPPT, MOTOR (Tennant Industrial) |
$97.52
|
1 |
|
usually ships 10-13 days |
10a |
375-7988
|
Power steering kit (industrial) |
$5,881.34
|
1 |
(includes 10b,11 and 12) |
usually ships 10-13 days |
10b |
175-0337
|
Snap switch |
$38.06
|
1 |
|
usually ships 10-13 days |
11 |
175-4963
|
Bolt M6-1 x 20mm hex head |
$5.50
|
4 |
|
usually ships 1-5 days |
12 |
999-0016
|
Washer 1/4 flat plain finish |
$0.99
|
4 |
|
ships same day |
13 |
675-2186
|
SHAFT, STEERING, POWER, LOWER (Tennant Industrial) |
$270.38
|
1 |
|
usually ships 10-13 days |
14a |
375-7988
|
Power steering kit (industrial) |
$5,881.34
|
1 |
(includes 14b and 15) |
usually ships 10-13 days |
14b |
175-0337
|
Snap switch |
$38.06
|
1 |
|
usually ships 10-13 days |
15 |
175-5310
|
Screw 4 x 45/64 x 16 pan head |
$4.36
|
2 |
|
usually ships 1-5 days |