| # | Part | Description | Price | Req | Notes | Availability |
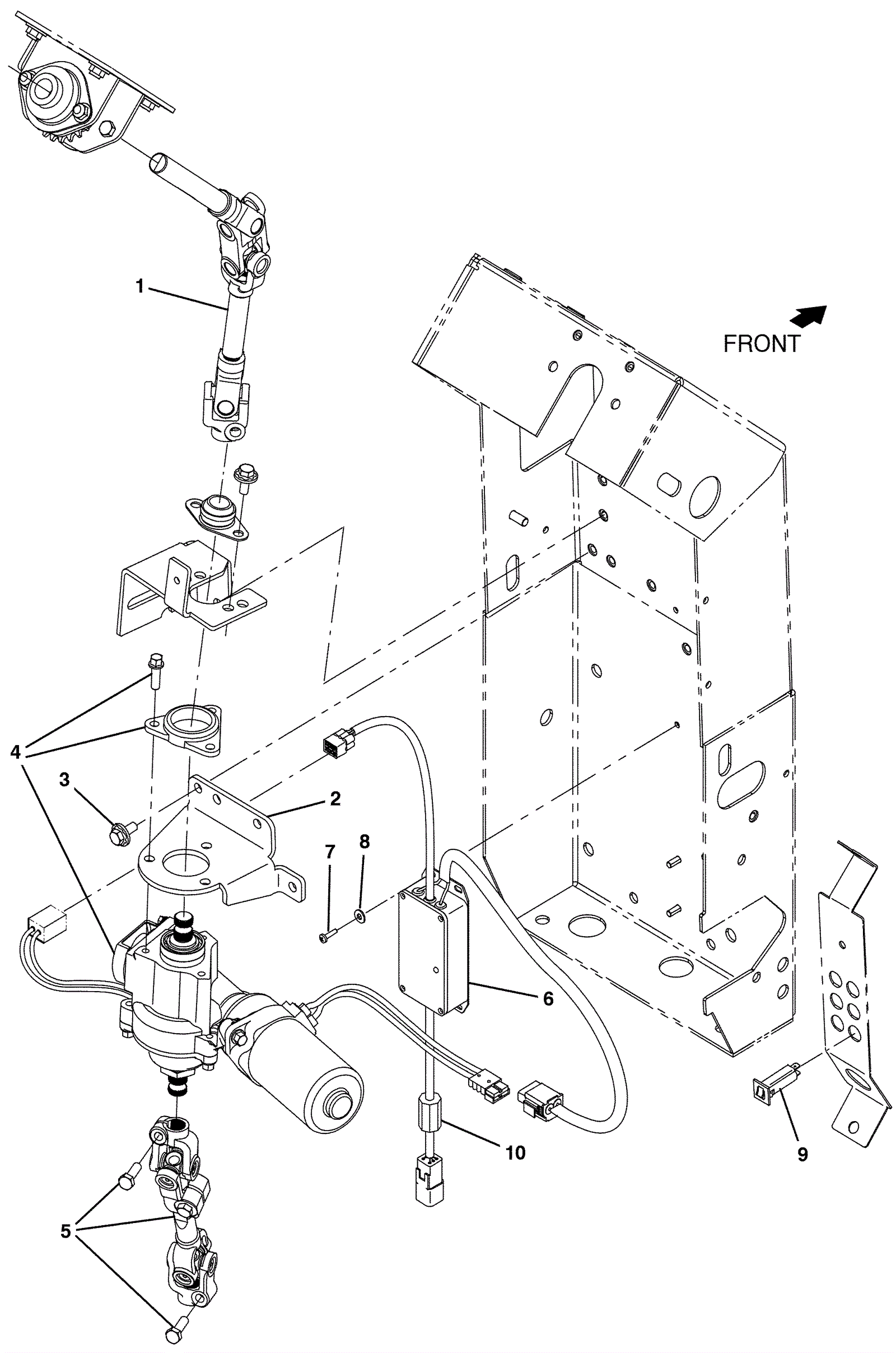
1 |
675-4338
|
SHAFT, STEERING, POWER, UPPER (Tennant Industrial) |
$550.61
|
1 |
(before SN 011000) |
usually ships 10-13 days |
2 |
575-3074
|
BRACKET, MTG, STEERING (Tennant Industrial) |
$37.67
|
1 |
(before SN 011000) |
usually ships 10-13 days |
3 |
275-4736
|
Screw M8-1.25 x 20mm hex washer head stainless steel SEMS |
$4.49
|
4 |
(before SN 011000) |
ships same day |
4 |
675-8347
|
MOTOR ASSY, STEERING, POWER, 12V (Tennant Industrial) |
$3,332.50
|
1 |
(before SN 011000) |
usually ships 10-13 days |
5 |
675-1107
|
SHAFT, STEERING, POWER, LOWER (Tennant Industrial) |
$236.21
|
1 |
(before SN 011000) |
usually ships 10-13 days |
6 |
675-6392
|
CONTROLLER, STEERING, 36V (Tennant Industrial) |
$1,136.89
|
1 |
(before SN 011000) |
usually ships 10-13 days |
7 |
999-9113
|
Screw M4-.7 x 16mm pan head phillips stainless steel |
$0.99
|
3 |
(before SN 011000) |
ships same day |
8 |
999-0998
|
Washer #10 flat stainless steel |
$0.99
|
3 |
(before SN 011000) |
ships same day |
9 |
175-5969
|
15amp circuit breaker (Tennant Industrial) |
$8.34
|
1 |
(before SN 011000) |
ships same day |
10 |
575-0329
|
INDUCTOR, 12.7MMID [156 IMP AT 25MHZ] (Tennant Industrial) |
$13.84
|
1 |
(before SN 011000) |
usually ships 10-13 days |