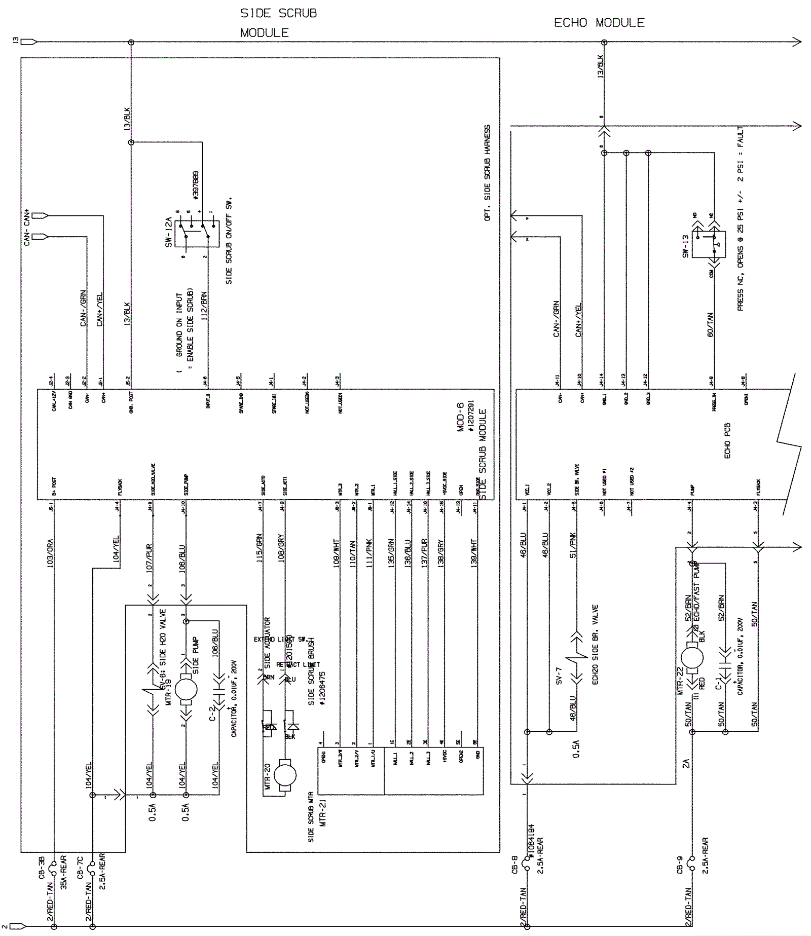
Wiring Diagram After SN 013999 - Part 5
Click to enlarge