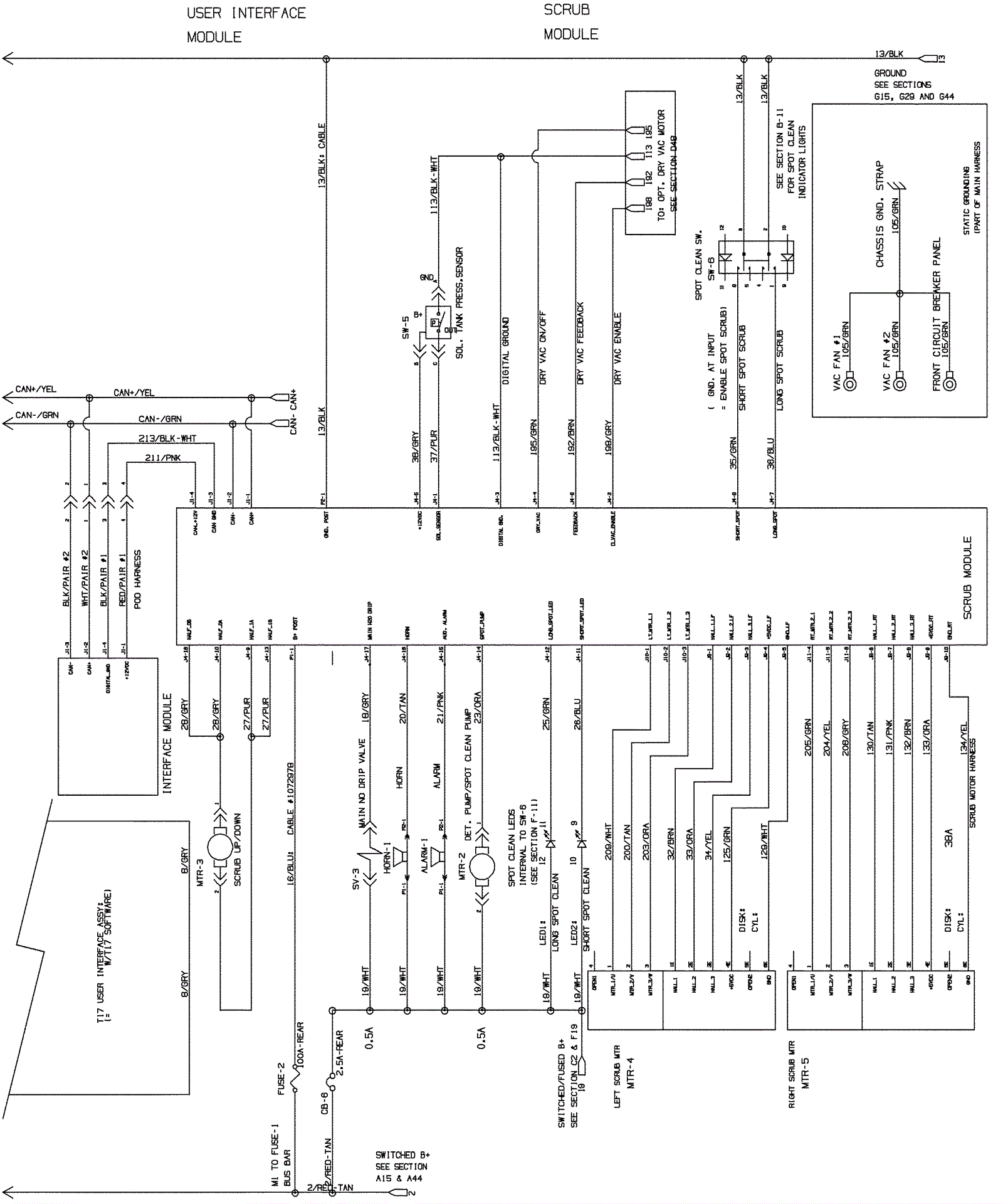
Wiring Diagram After SN 013999 - Part 2
Click to enlarge