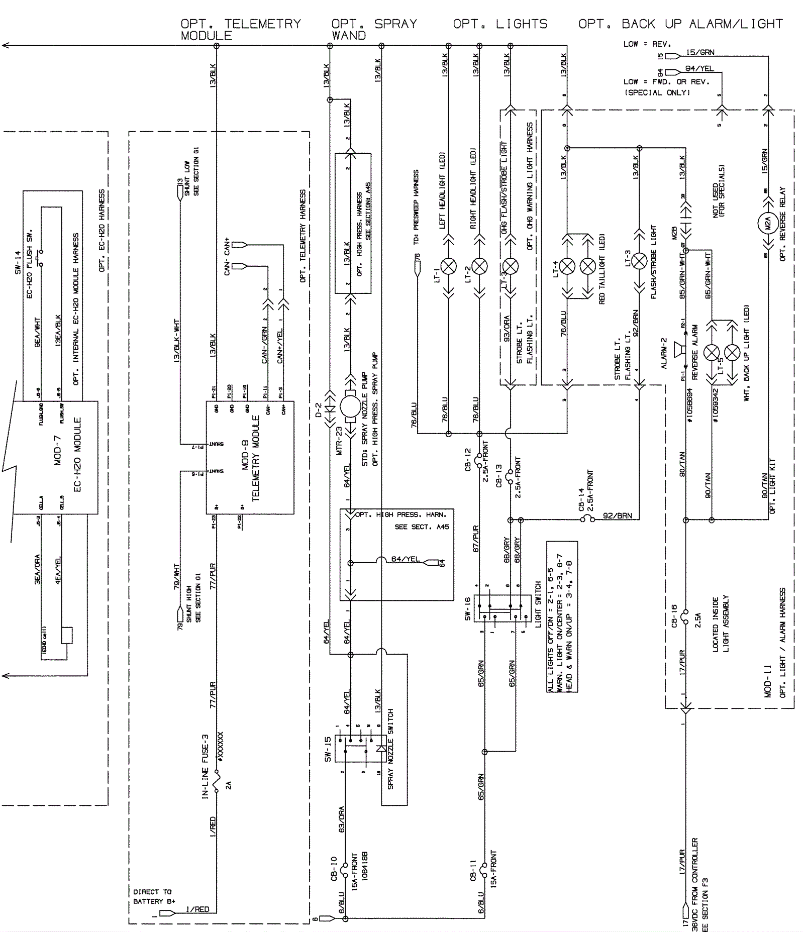
Wiring Diagram From SN 012999-014000 - Part 6
Click to enlarge