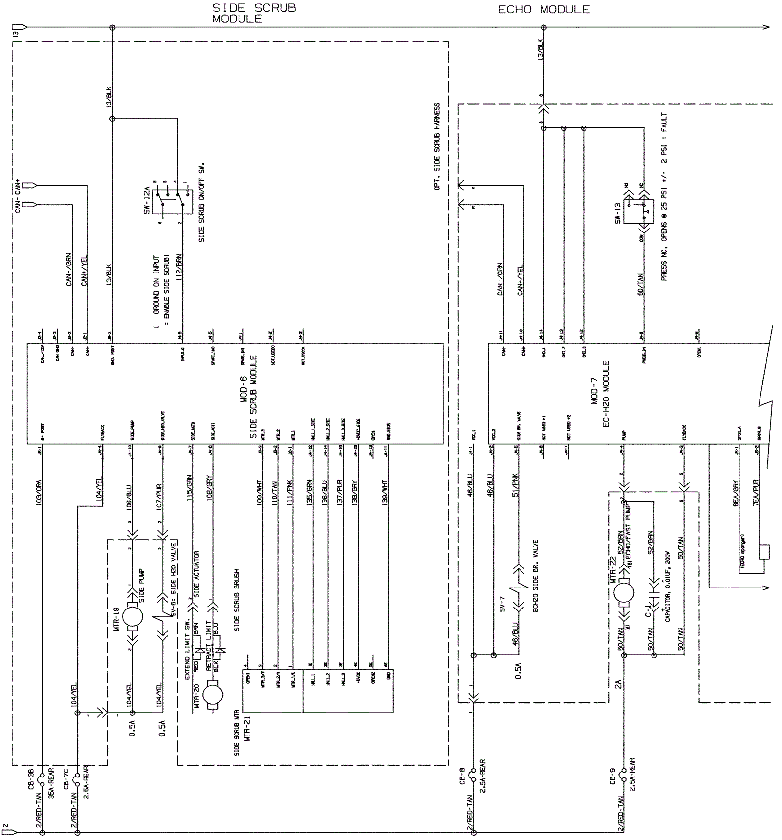
Wiring Diagram From SN 012999-014000 - Part 5
Click to enlarge