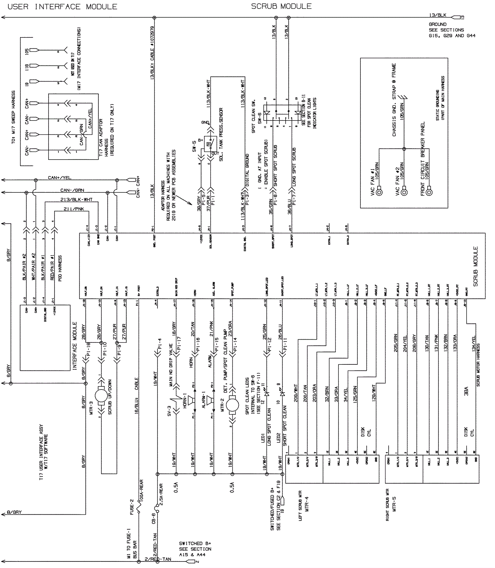
Wiring Diagram From SN 012999-014000 - Part 2
Click to enlarge