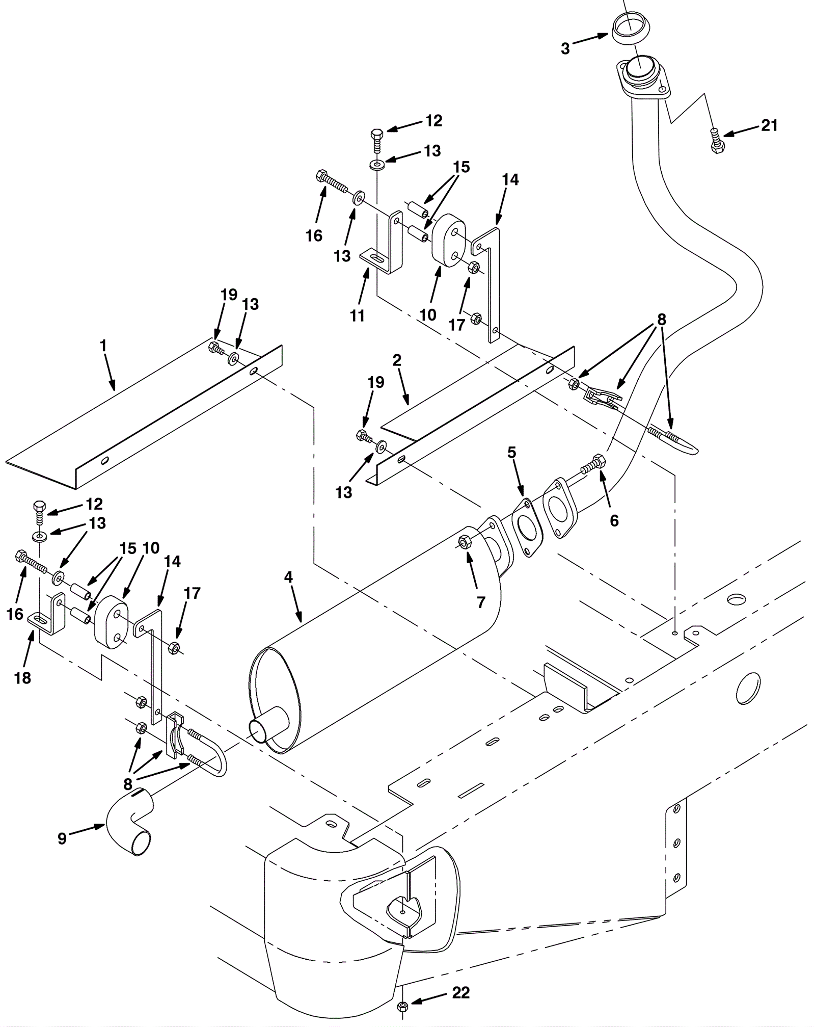
| # | Part | Description | Price | Req | Notes | Availability |
1 |
575-6770
|
BRACKET, SHIELD, MUFFLER (Tennant Industrial) |
$55.95
|
1 |
|
usually ships 10-13 days |
2 |
575-5261
|
BRACKET, SHIELD (Tennant Industrial) |
$40.25
|
1 |
|
usually ships 10-13 days |
3 |
275-7358
|
VR, GASKET, FLNG, PIPE, EXHAUST (Tennant Industrial) |
$238.55
|
1 |
|
usually ships 1-5 days |
4 |
675-5270
|
MUFFLER, EXHAUST (Tennant Industrial) |
$674.63
|
1 |
|
usually ships 10-13 days |
5 |
275-6408
|
Gasket (TENNANT INDUSTRIAL) |
$13.34
|
1 |
|
usually ships 10-13 days |
6 |
175-3258
|
Bolt M10-1.5 x 35mm hex head |
$5.28
|
2 |
|
usually ships 1-5 days |
7 |
275-7137
|
Nut M10 x 1.5mm hex stover (TENNANT INDUSTRIAL) |
$4.17
|
2 |
|
usually ships 1-5 days |
8 |
275-4692
|
CLAMP, MUFFLER, 1.62D (Tennant Industrial) |
$9.84
|
2 |
|
usually ships 10-13 days |
9 |
275-4693
|
TUBE WLDT, EXHAUST, 1.5D (Tennant Industrial) |
$89.18
|
1 |
|
usually ships 1-5 days |
10 |
375-0543
|
Rubber isolator (Tennant Industrial) |
$29.01
|
2 |
|
usually ships 10-13 days |
11 |
575-2362
|
BRACKET, MUFFLER, HANGER (Tennant Industrial) |
$23.88
|
1 |
|
usually ships 10-13 days |
12 |
999-0785
|
Screw M8-1.25 x 30mm hex head stainless steel |
$2.24
|
1 |
|
ships same day |
13 |
999-0024
|
Washer 5/16 flat stainless steel |
$1.34
|
10 |
|
ships same day |
14 |
575-2902
|
BRACKET, MUFFLER, HANGER, FRONT (Tennant Industrial) |
$27.56
|
2 |
|
usually ships 10-13 days |
15 |
175-2182
|
Sleeve |
$4.22
|
4 |
|
ships same day |
16 |
999-1297
|
Screw M8 x 50mm hex head stainless steel |
$2.86
|
4 |
|
ships same day |
17 |
999-0496
|
Nut M8-1.25 nylon insert lock stainless steel |
$1.98
|
4 |
|
ships same day |
18 |
575-1589
|
BRACKET, MUFFLER, HANGER, FRONT (Tennant Industrial) |
$349.03
|
1 |
|
usually ships 10-13 days |
19 |
999-0783
|
Screw M8-1.25 x 16mm hex head |
$0.99
|
4 |
|
ships same day |
20 |
675-3837
|
TUBE, EXHAUST, GAS/LPG (Tennant Industrial) |
$714.76
|
1 |
|
usually ships 10-13 days |
21 |
175-3258
|
Bolt M10-1.5 x 35mm hex head |
$5.28
|
2 |
|
usually ships 1-5 days |
22 |
999-0471
|
Nut M8-1.25 nylon insert lock zinc plated |
$0.99
|
1 |
|
ships same day |