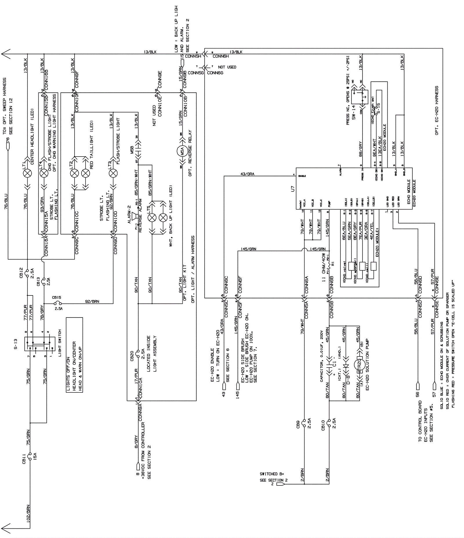
Electrical Schematic After SN 026721 - Part 5
Click to enlarge