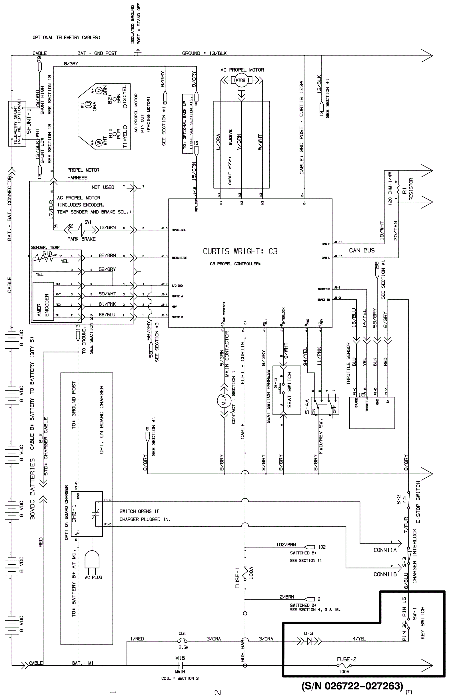
Electrical Schematic After SN 026721 - Part 1
Click to enlarge