| # | Part | Description | Price | Req | Notes | Availability |
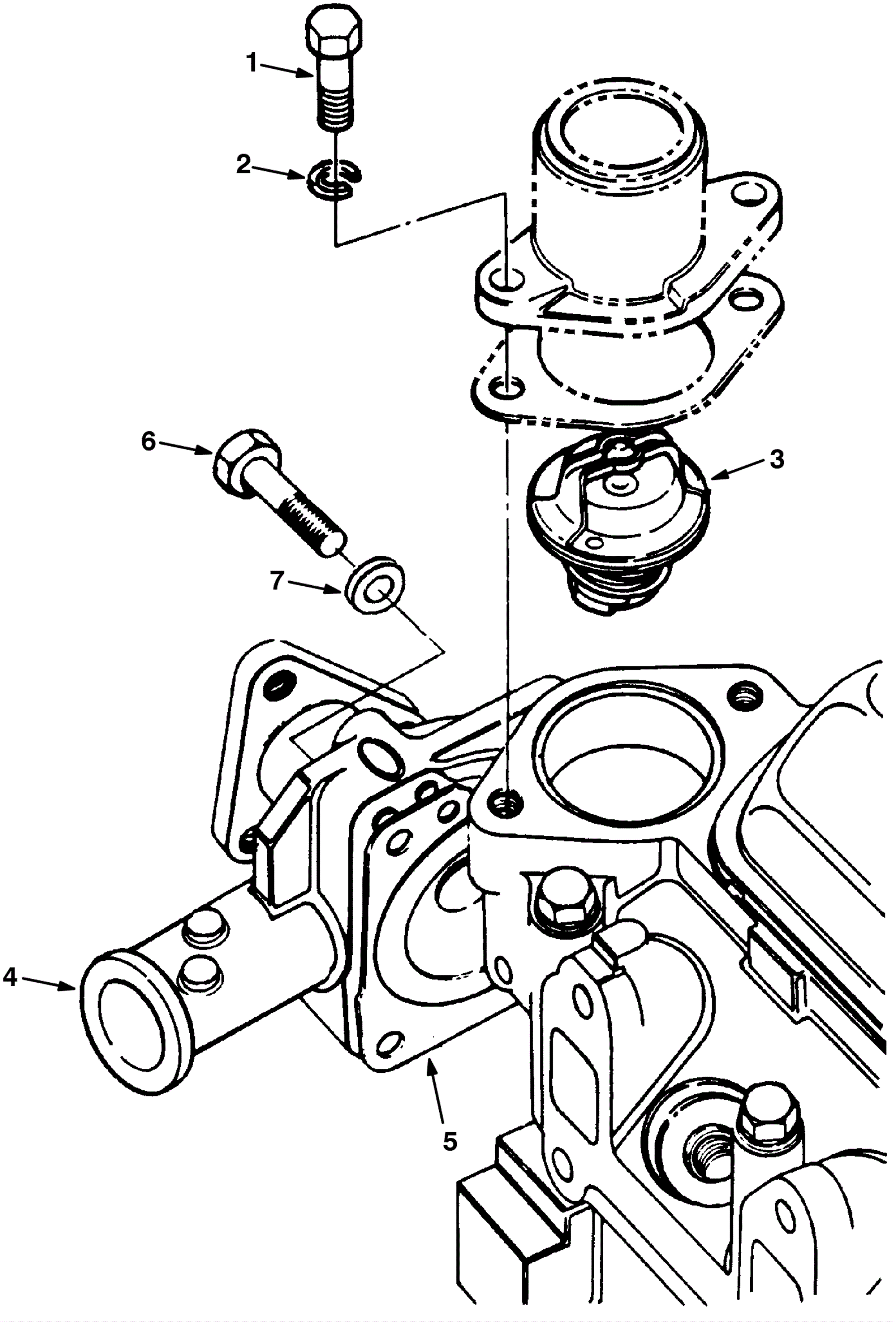
1 |
275-4480
|
VR, BOLT, HEX, M08 X 20 [FD] (Tennant Industrial) |
$12.36
|
2 |
|
usually ships 1-5 days |
2 |
275-4479
|
VR, WASHER, LOCK, SPLIT, M08 [FD] (Tennant Industrial) |
$13.67
|
2 |
|
usually ships 1-5 days |
3 |
275-4579
|
VR, THERMOSTAT, 180DEG [FD] (Tennant Industrial) |
$116.36
|
1 |
|
usually ships 10-13 days |
4 |
275-4580
|
VR, PUMP, WATER [FD] (Tennant Industrial) |
$645.96
|
1 |
|
usually ships 1-5 days |
5 |
275-4581
|
VR, GASKET, PUMP, WATER [FD] (Tennant Industrial) |
$35.51
|
1 |
|
usually ships 1-5 days |
6 |
999-1147
|
Bolt M6-1 x 40mm hex head stainless steel |
$0.99
|
3 |
|
ships same day |
7 |
275-4578
|
VR, WASHER, LOCK, SPLIT, M06 (Tennant Industrial) |
$6.51
|
3 |
|
usually ships 1-5 days |