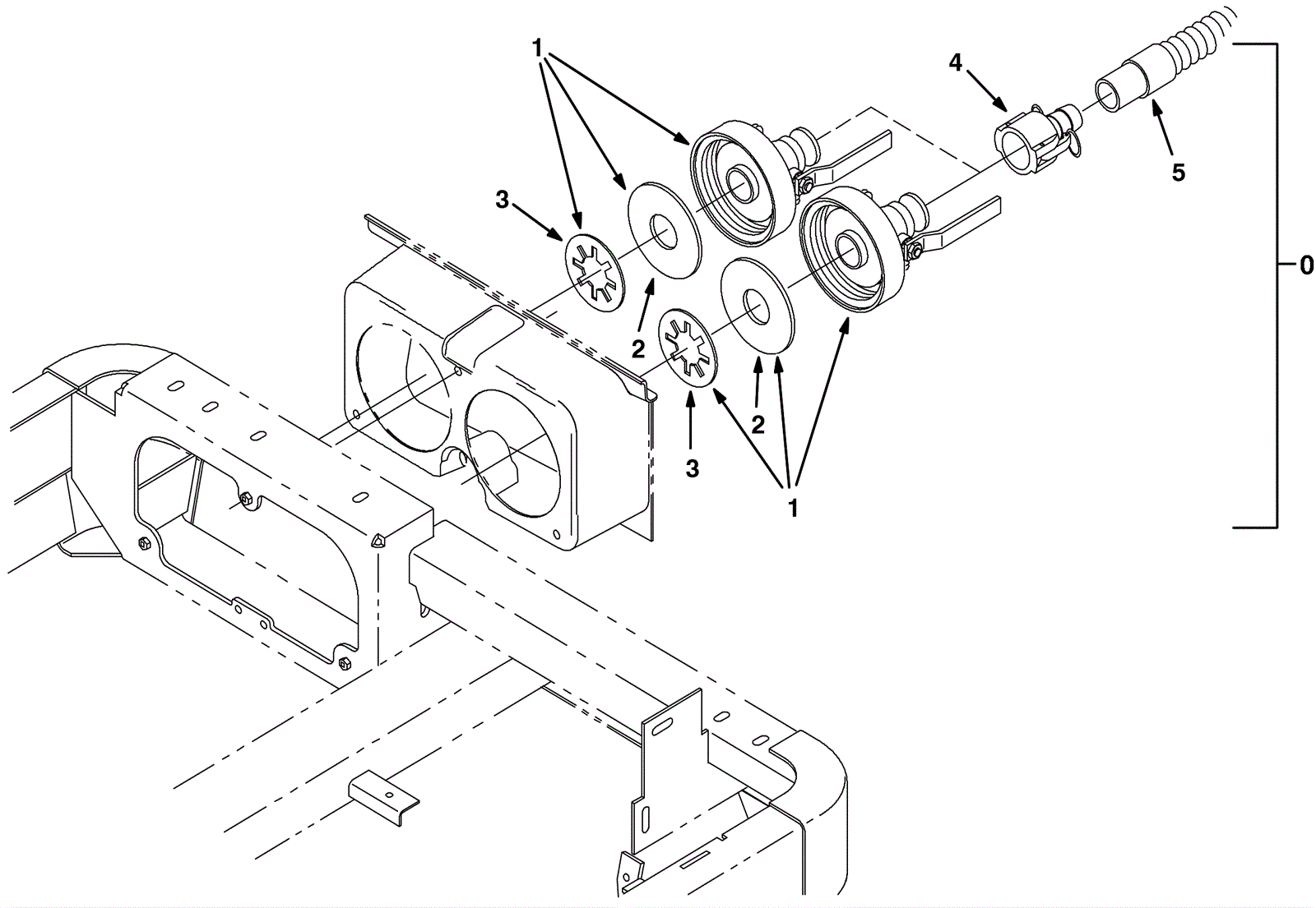
| # | Part | Description | Price | Req | Notes | Availability |
0 |
175-9750
|
CI positive control dual drain kit |
$1,612.27
|
1 |
(includes 1-5) |
usually ships 1-5 days |
1b |
175-3384
|
Tank cap |
$44.00
|
1 |
|
usually ships 10-13 days |
1c |
175-9745
|
Valve handle kit |
$87.01
|
1 |
|
ships same day |
1d |
275-4300
|
Ball and seal kit |
$196.46
|
1 |
|
usually ships 1-5 days |
2a |
275-4679
|
Gasket |
$18.04
|
1 |
(Gas/LPG after SN 006999) (diesel) |
usually ships 10-13 days |
2b |
175-3628
|
Drain lid gasket |
$10.01
|
1 |
(Gas/LPG before SN 007000) |
usually ships 10-13 days |
3 |
175-9746
|
Washer flat 1.91b 4.38d .13 polyethylene |
$13.31
|
1 |
|
usually ships 10-13 days |
4 |
175-9747
|
Female shank hose coupler fitting |
$80.19
|
1 |
|
usually ships 10-13 days |
5 |
175-9748
|
Hose assembly with 1 cuff |
$138.60
|
1 |
|
usually ships 10-13 days |