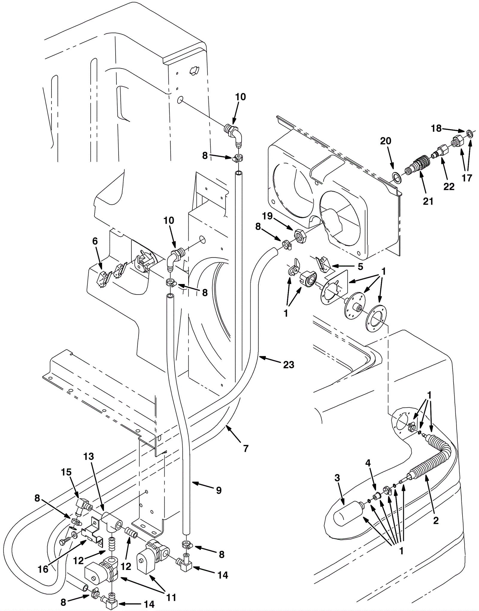
| # | Part | Description | Price | Req | Notes | Availability |
1 |
675-3923
|
LEVEL SENSING ASSY ES (Tennant Industrial) |
$371.74
|
1 |
(includes 2-5) |
usually ships 10-13 days |
2 |
575-2806
|
BELLOWS, RBR, 0.75ID 10.3L (Tennant Industrial) |
$23.38
|
1 |
|
usually ships 10-13 days |
3 |
275-9876
|
Float (Tennant Industrial) (OBSOLETE) |
$6.43
|
1 |
|
usually ships 10-13 days |
4 |
575-0795
|
PLUG, FLOAT, RND, NAT RESIN (Tennant Industrial) |
$19.67
|
1 |
|
usually ships 10-13 days |
5 |
275-4221
|
SWITCH, SNAP, 20A DPDT (Tennant Industrial) |
$43.01
|
1 |
|
usually ships 1-5 days |
6 |
275-4221
|
SWITCH, SNAP, 20A DPDT (Tennant Industrial) |
$43.01
|
1 |
|
usually ships 1-5 days |
7 |
575-2159
|
HOSE, PVC, BRD, 0.62ID 0.88OD 063.0L,CLR (Tennant Industrial |
$27.01
|
1 |
|
usually ships 10-13 days |
8 |
175-0199
|
Hose clamp |
$7.15
|
6 |
|
usually ships 10-13 days |
9 |
575-0296
|
HOSE, PVC, BRD, 0.62ID 0.88OD 018.0L,CLR (Tennant Industrial |
$7.26
|
1 |
|
usually ships 10-13 days |
10 |
175-5256
|
Plastic fitting |
$8.25
|
2 |
|
usually ships 10-13 days |
11 |
375-0923
|
12V solenoid water valve (Tennant Industrial) |
$867.01
|
2 |
|
usually ships 1-5 days |
12 |
275-4209
|
FITTING, BRS, STR, PM08/PM08 (Tennant Industrial) |
$35.24
|
2 |
|
usually ships 10-13 days |
13 |
575-2249
|
FITTING, BRS, TEE, PF08/PF08/PF08 (Tennant Industrial) |
$26.34
|
1 |
|
usually ships 10-13 days |
14 |
275-4223
|
FITTING, BRS, E90, EM10/PM08 (Tennant Industrial) |
$12.34
|
2 |
|
usually ships 1-5 days |
15 |
275-4206
|
FITTING, BRS, E90, EM12/PM08 (Tennant Industrial) |
$13.84
|
1 |
|
usually ships 1-5 days |
16 |
275-4211
|
PLATE (Tennant Industrial) |
$16.87
|
1 |
|
usually ships 1-5 days |
17 |
275-8675
|
FITTING KIT, HOSE, GARDEN (Tennant Industrial) |
$31.51
|
1 |
(includes 18) |
usually ships 1-5 days |
18 |
175-2303
|
Rubber washer |
$4.49
|
1 |
|
usually ships 1-5 days |
19 |
475-9200
|
NUT, HEX, JAM, 1.00-14 (Tennant Industrial) |
$6.18
|
1 |
|
usually ships 10-13 days |
20 |
375-0190
|
Flat washer (Tennant Industrial) |
$20.67
|
1 |
|
usually ships 1-5 days |
21 |
675-3272
|
FITTING, BRS, QDC, BM12/QF08 (Tennant Industrial) |
$357.38
|
1 |
|
usually ships 10-13 days |
22 |
275-4203
|
FITTING, BRS, QDC, PF08 [PARKER BH3F] (Tennant Industrial) |
$15.17
|
1 |
|
usually ships 1-5 days |
23 |
575-3180
|
HOSE, PVC, BRD, 0.75ID 1.03OD 058.0L,CLR (Tennant Industrial |
$21.63
|
1 |
|
usually ships 10-13 days |