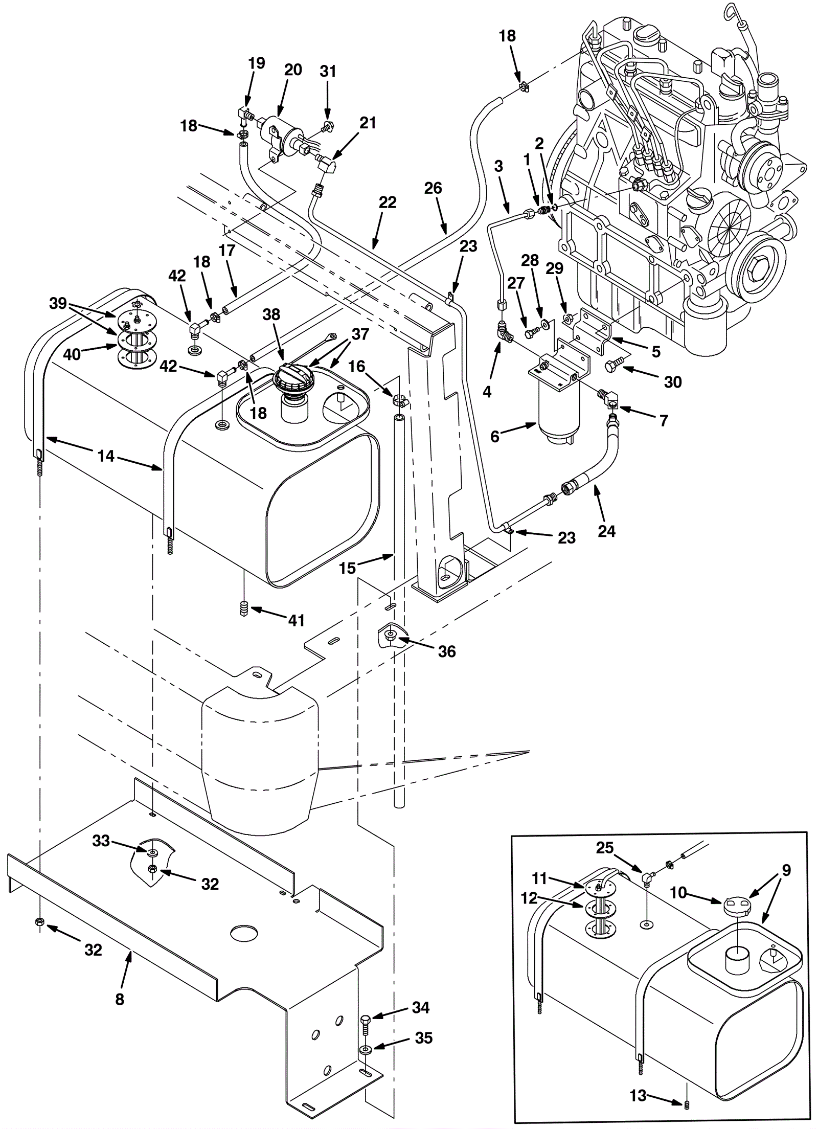
| # | Part | Description | Price | Req | Notes | Availability |
1 |
575-4031
|
FITTING, HYD, STR, METRIC, OM10/JM04 (Tennant Industrial) |
$207.58
|
1 |
(includes 2) |
usually ships 10-13 days |
2 |
475-8004
|
SEAL, ORG, .064 X 00.30ID #03 (Tennant Industrial) |
$4.17
|
1 |
|
usually ships 10-13 days |
3 |
575-3861
|
FUELLINE ASSY, DSL (Tennant Industrial) |
$108.55
|
1 |
|
usually ships 10-13 days |
4 |
475-9645
|
FITTING, HYD, E90, JM04/PM04 (Tennant Industrial) |
$7.85
|
1 |
|
usually ships 10-13 days |
5 |
575-4670
|
BRACKET, MTG, FLTR, FUEL (Tennant Industrial) |
$42.75
|
1 |
|
usually ships 10-13 days |
6a |
175-6861
|
Fuel filter (Tennant Industrial) |
$53.98
|
1 |
(includes 6b) |
ships same day |
6b |
275-6392
|
Filter element (Tennant Industrial) |
$35.51
|
1 |
|
ships same day |
7 |
575-0102
|
FITTING, BRS, E45, IF05/PM04 (Tennant Industrial) |
$76.65
|
1 |
|
usually ships 10-13 days |
8 |
675-1447
|
TRAY, MTG, TANK, FUEL (Tennant Industrial) |
$153.31
|
1 |
|
usually ships 10-13 days |
9 |
675-5854
|
TANK, FUEL (Tennant Industrial) |
$1,003.37
|
1 |
(includes 10-13) (before SN 009000) |
usually ships 10-13 days |
10 |
175-6850
|
CAP, TANK, FUEL, 2.3NECK 2.6D (Tennant Industrial) |
$43.01
|
1 |
(before SN 009000) |
usually ships 10-13 days |
11 |
575-9800
|
SEND-UNIT (Tennant Industrial) |
$160.53
|
1 |
(before SN 009000) |
usually ships 10-13 days |
12 |
275-2859
|
GASKET, SENDER, FUEL, 2.7D 1.5B 5/ 2.1BC (Tennant Industria |
$16.17
|
1 |
(before SN 009000) |
usually ships 1-5 days |
13 |
375-0632
|
Plug fitting (Tennant Industrial) |
$4.83
|
1 |
(before SN 009000) |
usually ships 1-5 days |
14 |
575-6789
|
STRAP WLDT, TANK, 0.06 1.0W 31.9L (Tennant Industrial) |
$103.04
|
2 |
|
usually ships 10-13 days |
15 |
375-2565
|
Fuel hose (OBSOLETE) |
Call for price
|
1 |
|
usually ships 10-13 days |
16 |
175-6081
|
Hose clamp |
$4.84
|
1 |
|
usually ships 1-5 days |
17 |
575-1028
|
HOSE, FUEL, 0.31ID, 14.0L (Tennant Industrial) |
$21.50
|
1 |
|
usually ships 10-13 days |
18 |
175-3594
|
Hose clamp |
$5.28
|
4 |
|
usually ships 10-13 days |
19 |
375-3545
|
Fitting (Tennant Industrial) |
$136.03
|
1 |
|
usually ships 10-13 days |
20 |
675-9930
|
PUMP, FUEL (Tennant Industrial) |
$275.55
|
1 |
|
usually ships 10-13 days |
21 |
175-6860
|
FITTING, BRS, E90, IF05/PM02 (Tennant Industrial) |
$14.00
|
1 |
|
usually ships 1-5 days |
22 |
575-1981
|
FUELLINE, .31D 05IF/05IF, STL (Tennant Industrial) |
$61.96
|
1 |
|
usually ships 10-13 days |
23 |
175-2152
|
P clamp |
$4.49
|
2 |
|
usually ships 1-5 days |
24 |
175-6865
|
HOSE, 0050, 04, IF05STR / IM05STR, 10.0 (Tennant Industrial |
$87.02
|
1 |
|
usually ships 10-13 days |
25 |
175-6851
|
FITTING, BRS, E90, BM03/PM02 (Tennant Industrial) |
$15.67
|
1 |
(before SN 009000) |
usually ships 10-13 days |
26 |
575-0686
|
HOSE, FUEL, 0.19ID, 36.0L (Tennant Industrial) |
$8.85
|
1 |
|
usually ships 10-13 days |
27 |
999-0502
|
Bolt M6-1 x 20mm hex head full thread zinc |
$0.99
|
2 |
|
ships same day |
28 |
999-0123
|
Washer 1/4 SAE flat zinc plated |
$0.99
|
2 |
|
ships same day |
29 |
999-6694
|
Nut M6-1 hex serrated flange stainless steel |
$0.99
|
2 |
|
ships same day |
30 |
175-6815
|
Screw M10 x 1 1/4 x 20 hex |
$3.30
|
2 |
|
usually ships 1-5 days |
31 |
175-3298
|
Bolt M6-1 x 12mm hex head |
$4.49
|
2 |
|
ships same day |
32 |
999-0152
|
Nut 1/4-20 nylon insert lock zinc plated |
$0.99
|
4 |
|
ships same day |
33 |
999-0016
|
Washer 1/4 flat plain finish |
$0.99
|
2 |
|
ships same day |
34 |
999-0499
|
Bolt M8-1.25 x 20mm hex head full thread stainless steel |
$1.85
|
4 |
|
ships same day |
35 |
999-0024
|
Washer 5/16 flat stainless steel |
$1.34
|
4 |
|
ships same day |
36 |
999-0665
|
Nut M8-1.25 flange lock |
$0.99
|
4 |
|
ships same day |
37 |
675-6659
|
TANK, FUEL, 11.0GAL, 12.00W 09.5HI 25.5L (Tennant Industrial |
$818.30
|
1 |
(includes 38-41) |
usually ships 10-13 days |
38 |
375-0631
|
Fuel tank cap (Tennant Industrial) |
$59.68
|
1 |
|
usually ships 10-13 days |
39 |
375-0630
|
Fuel send-unit (Tennant Industrial) |
$198.54
|
1 |
(includes 40) |
usually ships 1-5 days |
40 |
275-0318
|
Fuel sender gasket (Tennant Industrial) |
$14.84
|
1 |
|
usually ships 1-5 days |
41 |
375-0632
|
Plug fitting (Tennant Industrial) |
$4.83
|
1 |
|
usually ships 1-5 days |
42 |
375-0639
|
Brass fitting (Tennant Industrial) |
$10.00
|
2 |
|
usually ships 1-5 days |