| # | Part | Description | Price | Req | Notes | Availability |
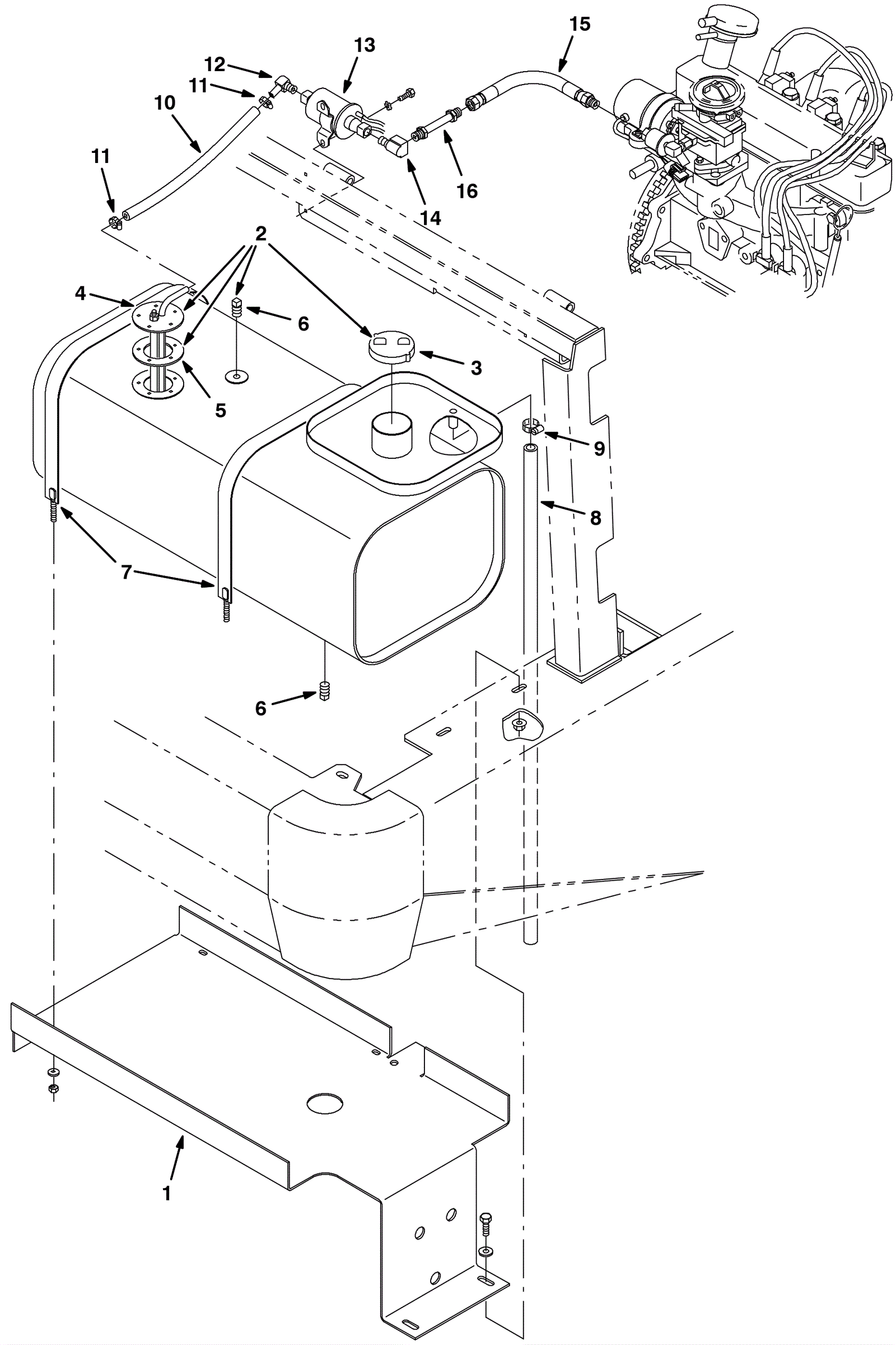
1 |
675-1447
|
TRAY, MTG, TANK, FUEL (Tennant Industrial) |
$153.31
|
1 |
|
usually ships 10-13 days |
2 |
675-5854
|
TANK, FUEL (Tennant Industrial) |
$1,003.37
|
1 |
(includes 3-6) |
usually ships 10-13 days |
3 |
175-6850
|
CAP, TANK, FUEL, 2.3NECK 2.6D (Tennant Industrial) |
$43.01
|
1 |
|
usually ships 10-13 days |
4 |
575-9800
|
SEND-UNIT (Tennant Industrial) |
$160.53
|
1 |
|
usually ships 10-13 days |
5 |
275-2859
|
GASKET, SENDER, FUEL, 2.7D 1.5B 5/ 2.1BC (Tennant Industria |
$16.17
|
1 |
|
usually ships 1-5 days |
6 |
375-0632
|
Plug fitting (Tennant Industrial) |
$4.83
|
2 |
|
usually ships 1-5 days |
7 |
575-6789
|
STRAP WLDT, TANK, 0.06 1.0W 31.9L (Tennant Industrial) |
$103.04
|
2 |
|
usually ships 10-13 days |
8 |
375-2565
|
Fuel hose (OBSOLETE) |
Call for price
|
1 |
|
usually ships 10-13 days |
9 |
175-6081
|
Hose clamp |
$4.84
|
1 |
|
ships same day |
10 |
575-1028
|
HOSE, FUEL, 0.31ID, 14.0L (Tennant Industrial) |
$21.50
|
1 |
|
usually ships 10-13 days |
11 |
175-3594
|
Hose clamp |
$5.28
|
2 |
|
usually ships 10-13 days |
12 |
375-3545
|
Fitting (Tennant Industrial) |
$136.03
|
1 |
|
usually ships 10-13 days |
13 |
675-9930
|
PUMP, FUEL (Tennant Industrial) |
$275.55
|
1 |
|
usually ships 10-13 days |
14 |
175-6860
|
FITTING, BRS, E90, IF05/PM02 (Tennant Industrial) |
$14.00
|
1 |
|
usually ships 1-5 days |
15 |
175-6865
|
HOSE, 0050, 04, IF05STR / IM05STR, 10.0 (Tennant Industrial |
$87.02
|
1 |
|
usually ships 10-13 days |
16 |
575-7822
|
FUELLINE, .31D 05IF/05IF 05.4L, STL (Tennant Industrial) |
$116.57
|
1 |
|
usually ships 10-13 days |