| # | Part | Description | Price | Req | Notes | Availability |
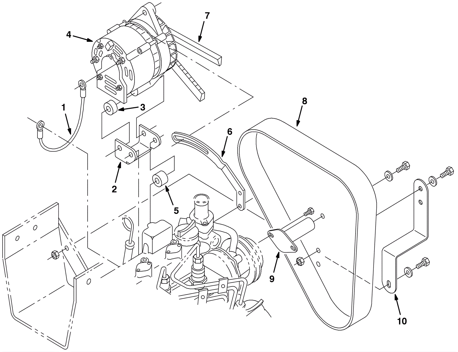
1 |
275-6700
|
WIRE, 10GA 09.0L BLK (TENNANT INDUSTRIAL) |
$42.68
|
1 |
|
usually ships 1-5 days |
2 |
575-4256
|
BRACKET, MTG, ALTERNATOR (Tennant Industrial) |
$52.68
|
1 |
|
usually ships 10-13 days |
3 |
575-1079
|
TUBE, 0.44ID 1.00OD 00.5L, STL, PL (Tennant Industrial) |
$24.84
|
1 |
|
usually ships 10-13 days |
4a |
275-0403
|
Alternator (Tennant Industrial) |
$1,201.24
|
1 |
(includes 4b-4f) |
usually ships 1-5 days |
4b |
275-0404
|
VR, REGULATOR, ALTERNATOR, 12VDC (Tennant Industrial) |
$334.90
|
1 |
|
usually ships 1-5 days |
4c |
175-9071
|
Ball bearing 43/64 x 1-37/64 x 15/32 |
$19.69
|
1 |
|
usually ships 10-13 days |
4d |
275-0405
|
VR, KIT, BRUSH, ALTERNATOR (Tennant Industrial) |
$18.84
|
1 |
|
usually ships 1-5 days |
4e |
275-0406
|
VR, RECTIFIER, ALTERNATOR (Tennant Industrial) |
$103.52
|
1 |
|
usually ships 1-5 days |
4f |
275-0407
|
VR, PULLEY, ALTERNATOR (Tennant Industrial) |
$35.67
|
1 |
|
usually ships 1-5 days |
5 |
575-3665
|
TUBE, 0.44ID 1.00OD 00.7L, STL, PL (Tennant Industrial) |
$47.01
|
1 |
|
usually ships 10-13 days |
6 |
575-7063
|
ARM, ADJ, ALTERNATOR, 6.5R [CURVED] (Tennant Industrial) |
$118.69
|
1 |
|
usually ships 10-13 days |
7 |
275-8274
|
BELT, V, 41.0L [HC41] (Tennant Industrial) |
$38.84
|
1 |
|
usually ships 1-5 days |
8 |
675-3235
|
GUARD, BELT, DSL (Tennant Industrial) |
$758.18
|
1 |
|
usually ships 10-13 days |
9 |
575-6402
|
BRACKET WLDT, MTG, GUARD (Tennant Industrial) |
$51.77
|
1 |
|
usually ships 10-13 days |
10 |
575-2739
|
BRACKET, MTG, GUARD (Tennant Industrial) |
$63.46
|
1 |
|
usually ships 10-13 days |