| # | Part | Description | Price | Req | Notes | Availability |
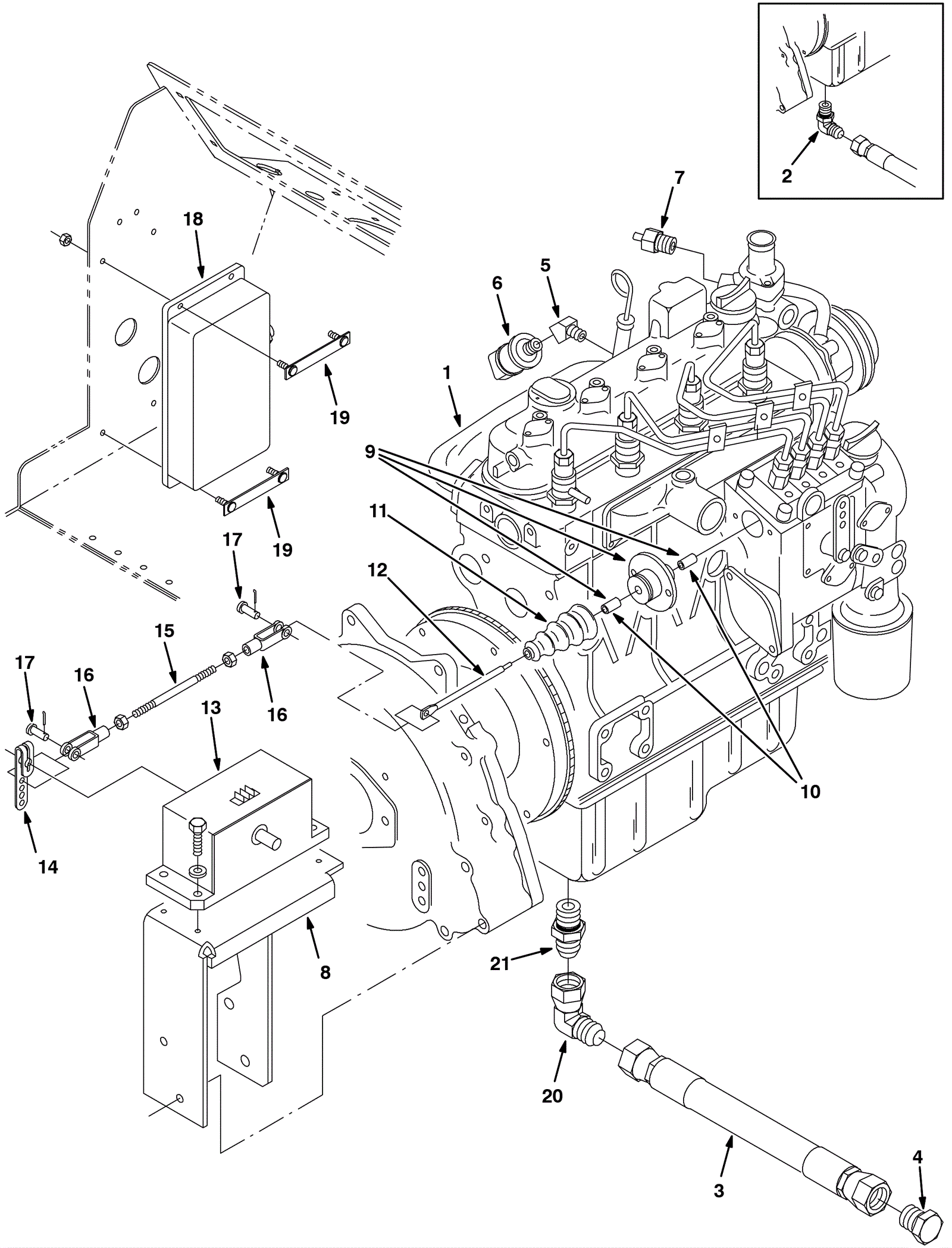
1 |
375-3472
|
37HP diesel engine assembly (Tennant Industrial) (OBSOLETE) |
$16,191.67
|
1 |
|
usually ships 10-13 days |
2 |
575-9642
|
FITTING, HYD, E90, SPCL (Tennant Industrial) |
$154.36
|
1 |
(before SN 007275) |
usually ships 10-13 days |
3 |
575-7942
|
HOSE, HYD, LOW12, JF12STR/JF12STR, 018.0 (Tennant Industrial |
$104.02
|
1 |
|
usually ships 10-13 days |
4 |
575-0528
|
FITTING, HYD, PLUG, JM12 (Tennant Industrial) |
$18.67
|
1 |
|
usually ships 10-13 days |
5 |
275-2842
|
FITTING, BRS, E45, PF02/PM02 (Tennant Industrial) |
$8.34
|
1 |
|
usually ships 1-5 days |
6 |
275-7487
|
SWITCH, PRESSURE OIL (Tennant Industrial) |
$105.19
|
1 |
|
ships same day |
7 |
575-5486
|
SEND-UNIT, WATER, TEMP, 06NPT [DATCON] (Tennant Industrial) |
$77.35
|
1 |
|
usually ships 10-13 days |
8 |
375-2125
|
Actuator mounting bracket (OBSOLETE) |
Call for price
|
1 |
|
usually ships 10-13 days |
9 |
675-4700
|
THROTTLE ASSY, BLOCK, DSL (Tennant Industrial) |
$540.58
|
1 |
(includes 10) |
usually ships 10-13 days |
10 |
475-0370
|
BUSHING, SLEEVE, 0.25B 0.38D 0.75L, OIB |
$4.62
|
2 |
|
usually ships 10-13 days |
11 |
575-7657
|
BOOT, BELLOWS, 2.7L 1.5W 1.1H 1HOLE, NEO (Tennant Industrial |
$112.89
|
1 |
|
usually ships 10-13 days |
12 |
675-2121
|
ROD, CNTRL, THROTTLE, .25D DSL (Tennant Industrial) |
$873.74
|
1 |
|
usually ships 10-13 days |
13a |
675-8249
|
ACTUATOR KIT, GOVNR, DSL, CI (Tennant Industrial) |
$3,977.46
|
1 |
|
usually ships 10-13 days |
13b |
575-3285
|
VR, BEARING, ACTUATOR [SF1, PN] (Tennant Industrial) |
$40.51
|
2 |
|
usually ships 10-13 days |
14 |
675-2683
|
ARM, CNTRL, THROTTLE, 1.8 .38H .26H [3] (Tennant Industrial) |
$444.09
|
1 |
|
usually ships 10-13 days |
15 |
375-2564
|
Full thread rod (OBSOLETE) |
Call for price
|
1 |
|
usually ships 10-13 days |
16 |
275-8412
|
CLEVIS, ADJ, 0.25PIN, 0.25-28 RH, PL (Tennant Industrial) |
$15.67
|
2 |
|
usually ships 1-5 days |
17 |
175-9987
|
Clevis pin 1/4 x 3/4 |
$4.49
|
2 |
|
usually ships 1-5 days |
18a |
675-8431
|
CONTROLBOX, GOVNR [14 (Tennant Industrial) |
$3,645.11
|
1 |
(includes 18b) (replaced by 18c) (before SN 005819) |
usually ships 10-13 days |
18b |
375-3809
|
Control box plug kit (tennant industrial) |
$23.71
|
2 |
(before SN 005819) |
usually ships 10-13 days |
18c |
375-3830
|
Control kit (Tennant Industrial) |
$2,619.69
|
1 |
(between SN 005819 and SN 007493) |
usually ships 10-13 days |
19 |
375-3823
|
Plate (Tennant Industrial) |
$40.51
|
2 |
|
usually ships 10-13 days |
20 |
575-5752
|
FITTING, HYD, E90, JF12/JM12 (Tennant Industrial) |
$48.96
|
1 |
(between SN 007275 and SN 007493) |
ships same day |
21 |
N/A
|
Not available |
Call for price
|
1 |
(fitting) (replaced with 675-4573) |
usually ships 3-26 days |