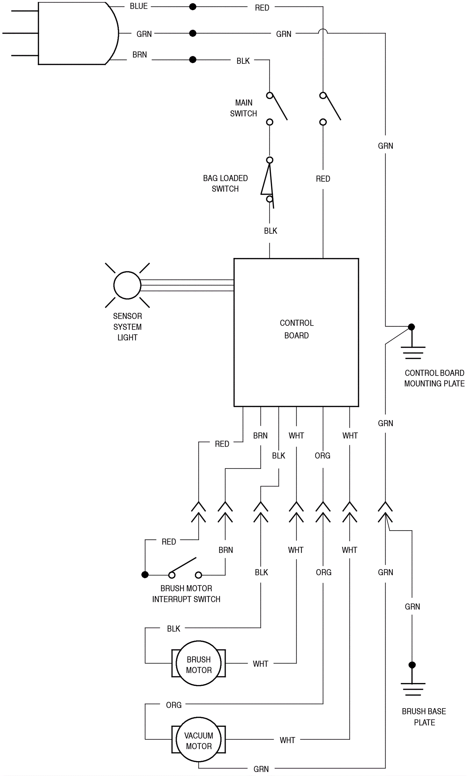
Wiring Diagram - 240V
Click to enlarge