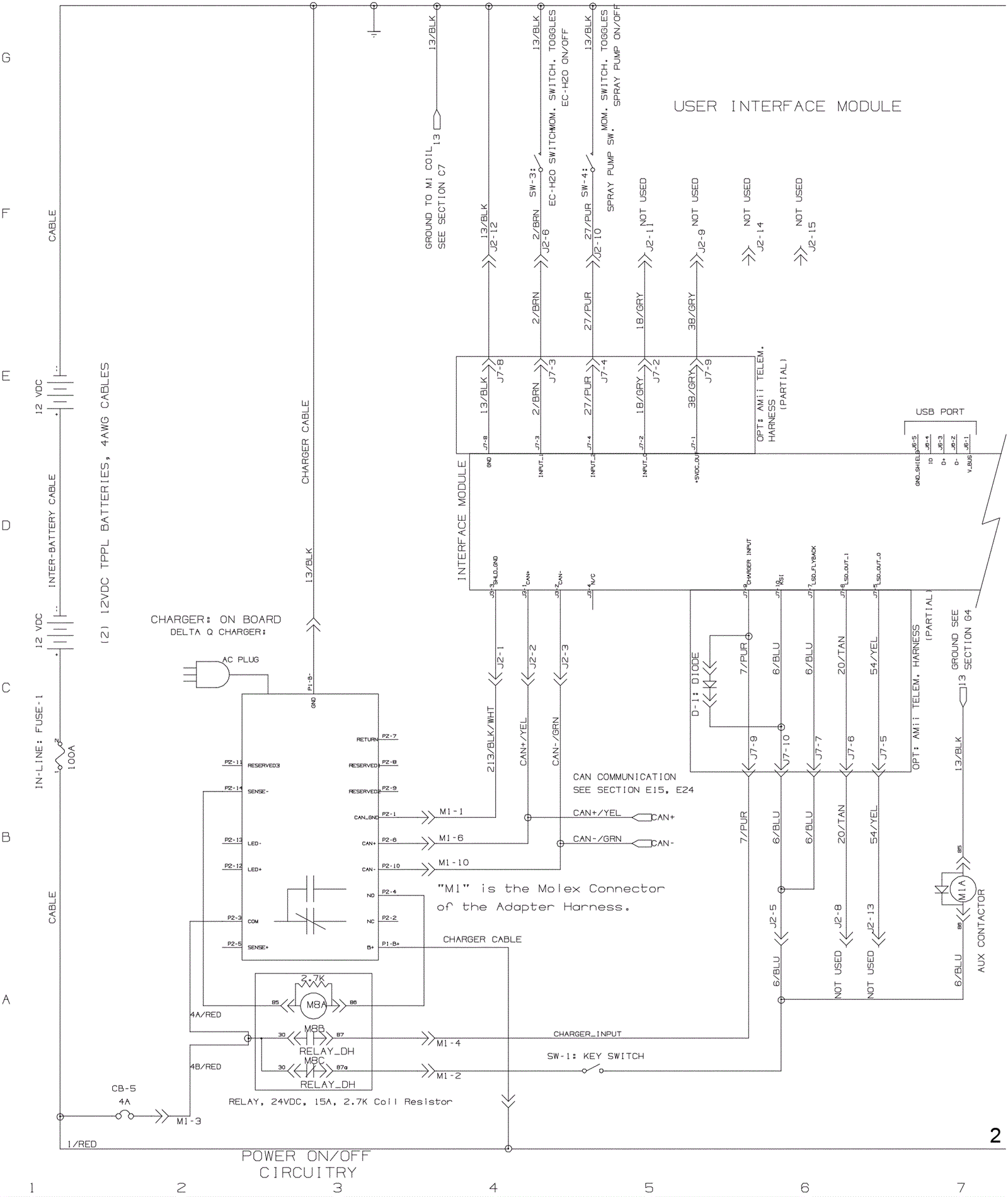
Wiring Diagram - TPPL 1
Click to enlarge