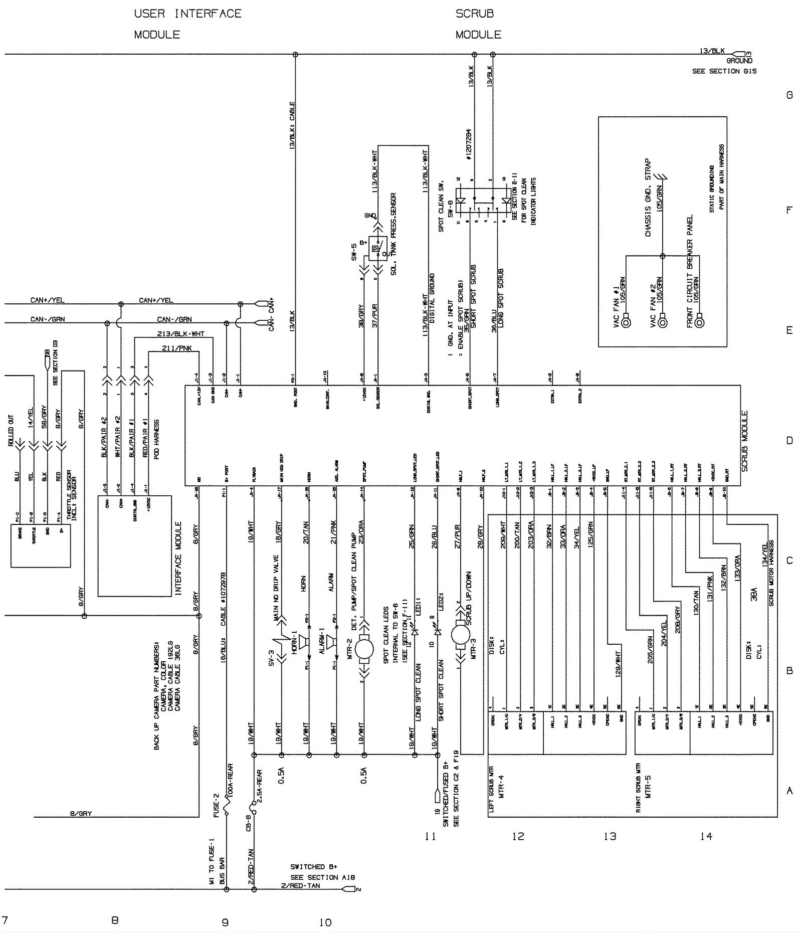
Wiring Diagram From SN 010999-013000 - Part 9
Click to enlarge