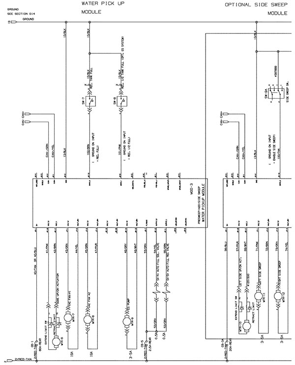
Wiring Diagram From SN 010999-013000 - Part 3
Click to enlarge