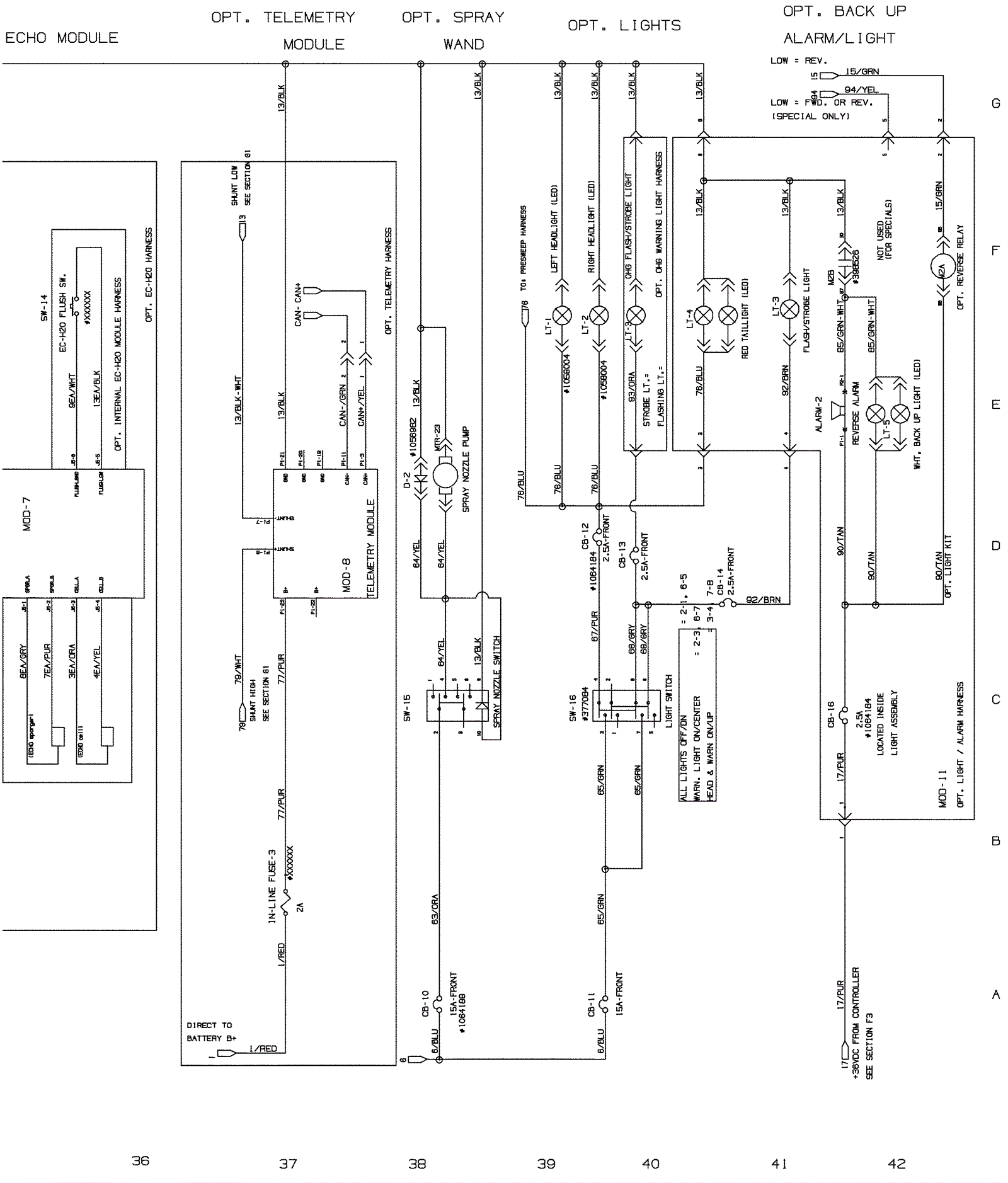
Wiring Diagram Before SN 011000 - Part 6
Click to enlarge