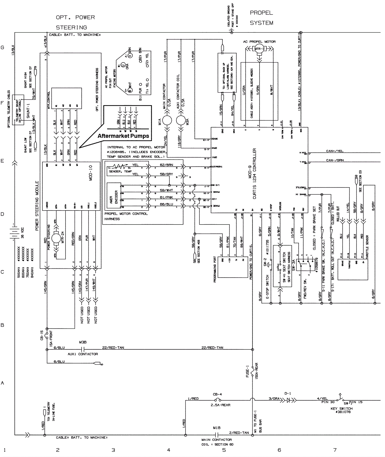
Wiring Diagram Before SN 011000 - Part 1
Click to enlarge