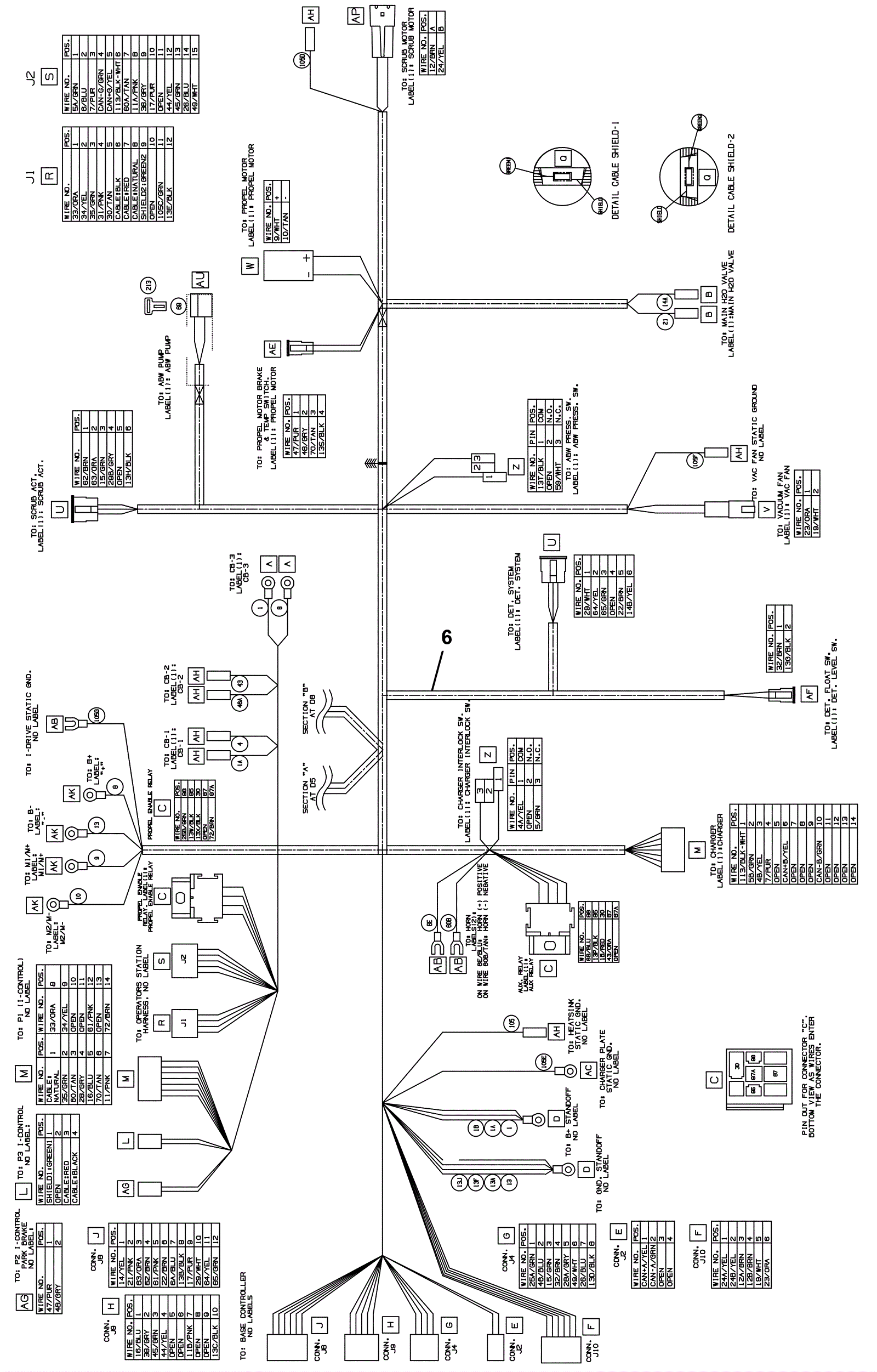
Electrical Wire Harnesses Assembly - Part 7
Click to enlarge