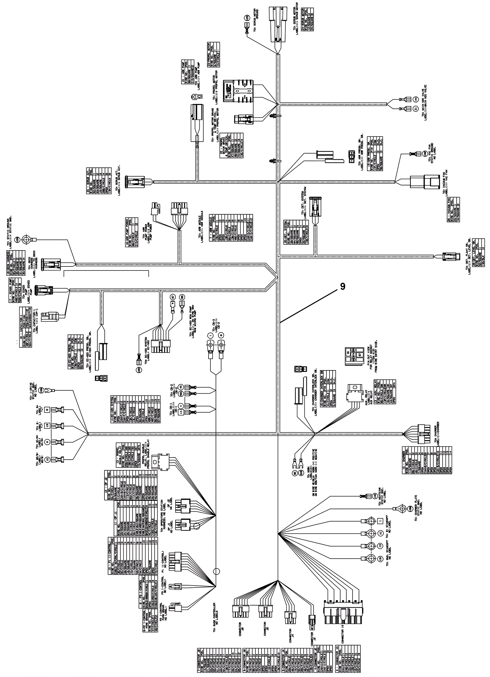
Electrical Wire Harnesses Assembly - Part 12
Click to enlarge