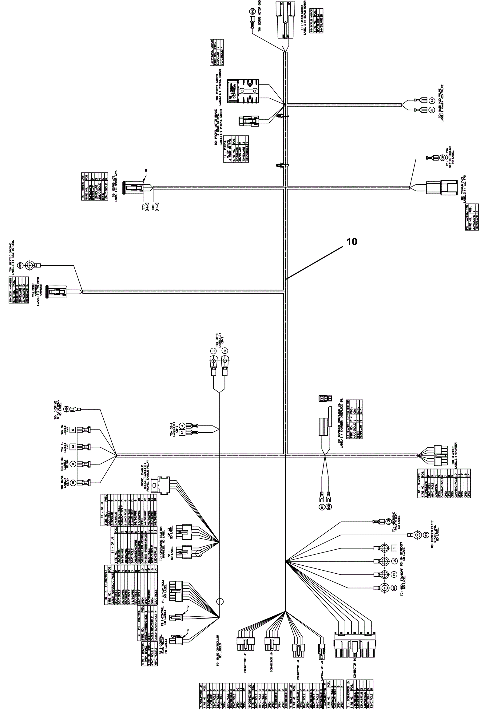
Electrical Wire Harnesses Assembly - Part 13
Click to enlarge