T5
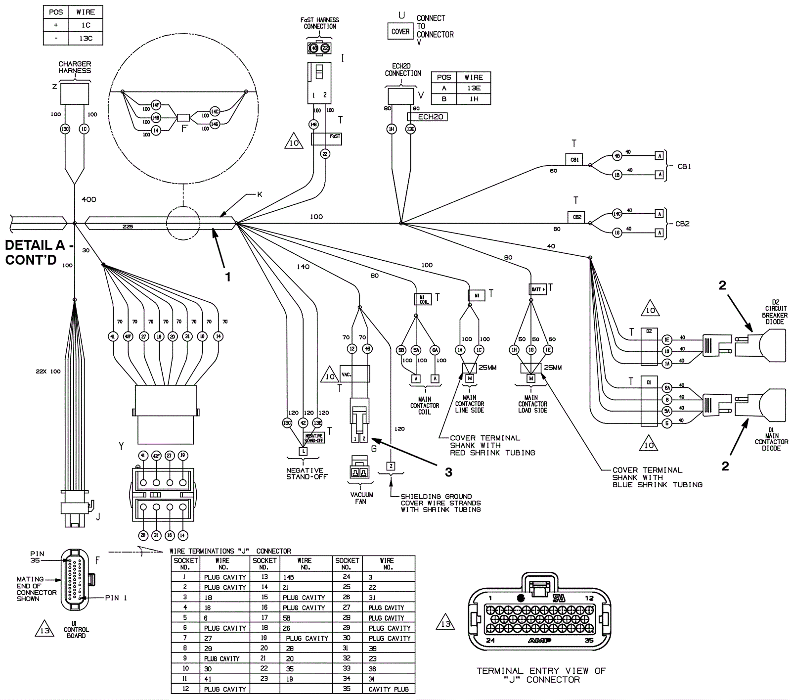
Main Wiring Harness Assembly - Before SN 10632988
# | Part | Description | Price | Req | Notes | Availability |
1 |
275-1436
|
Main wire harness |
$592.79
|
1 |
|
usually ships 10-13 days |
2 |
175-2216
|
Diode plug |
$14.19
|
2 |
|
ships same day |
3 |
275-4933
|
Female body connector (2 receptacles) |
$18.81
|
1 |
|
usually ships 10-13 days |