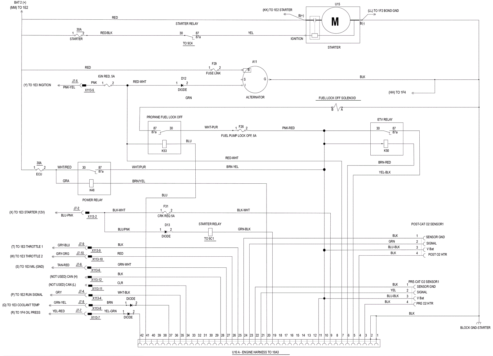
Kubota LEV Engine System Diagram 1
Click to enlarge