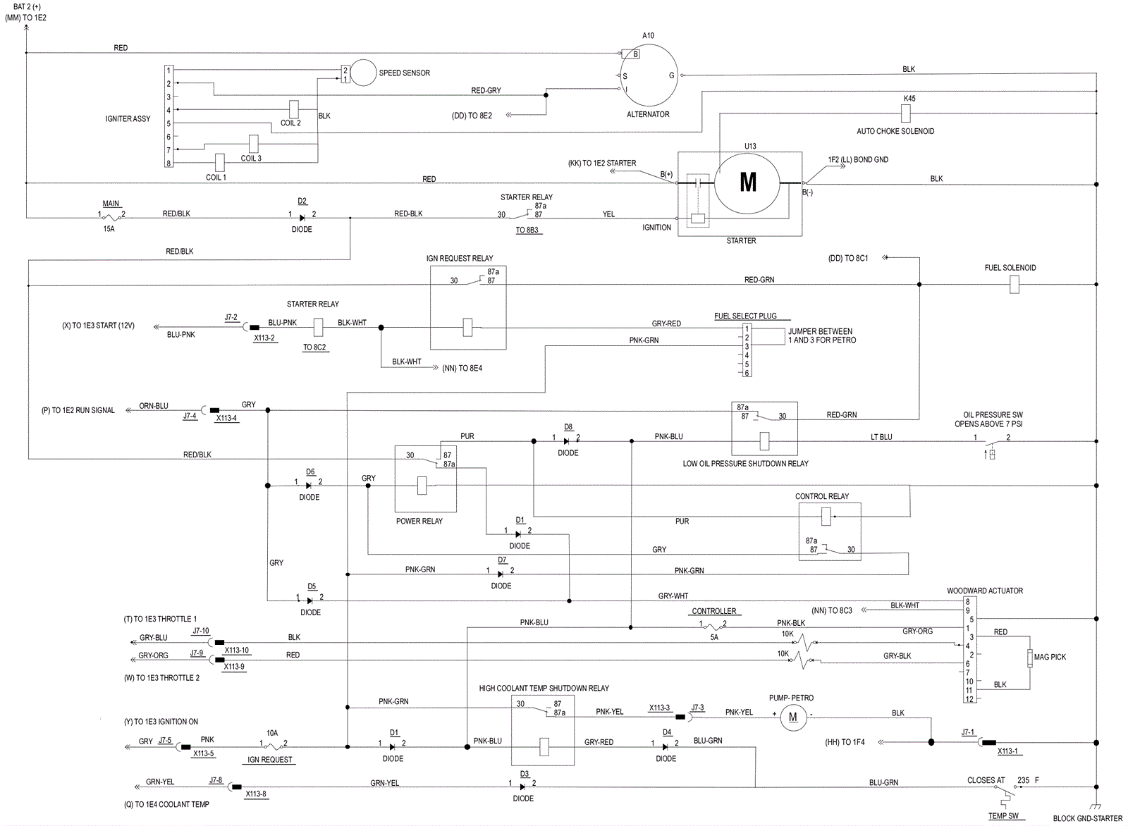
Kubota Gasoline/Petrol Engine System Diagram
Click to enlarge