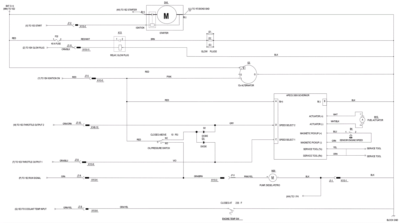
Kubota Diesel Engine System Diagram
Click to enlarge