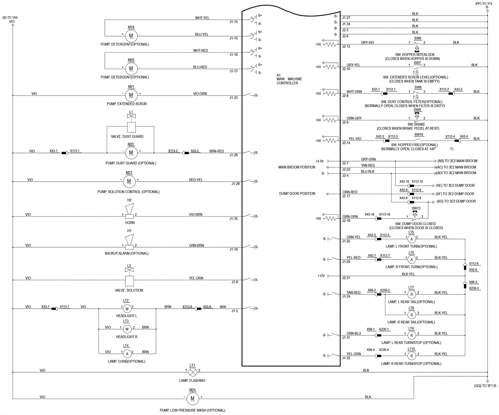
Wiring Diagram 2