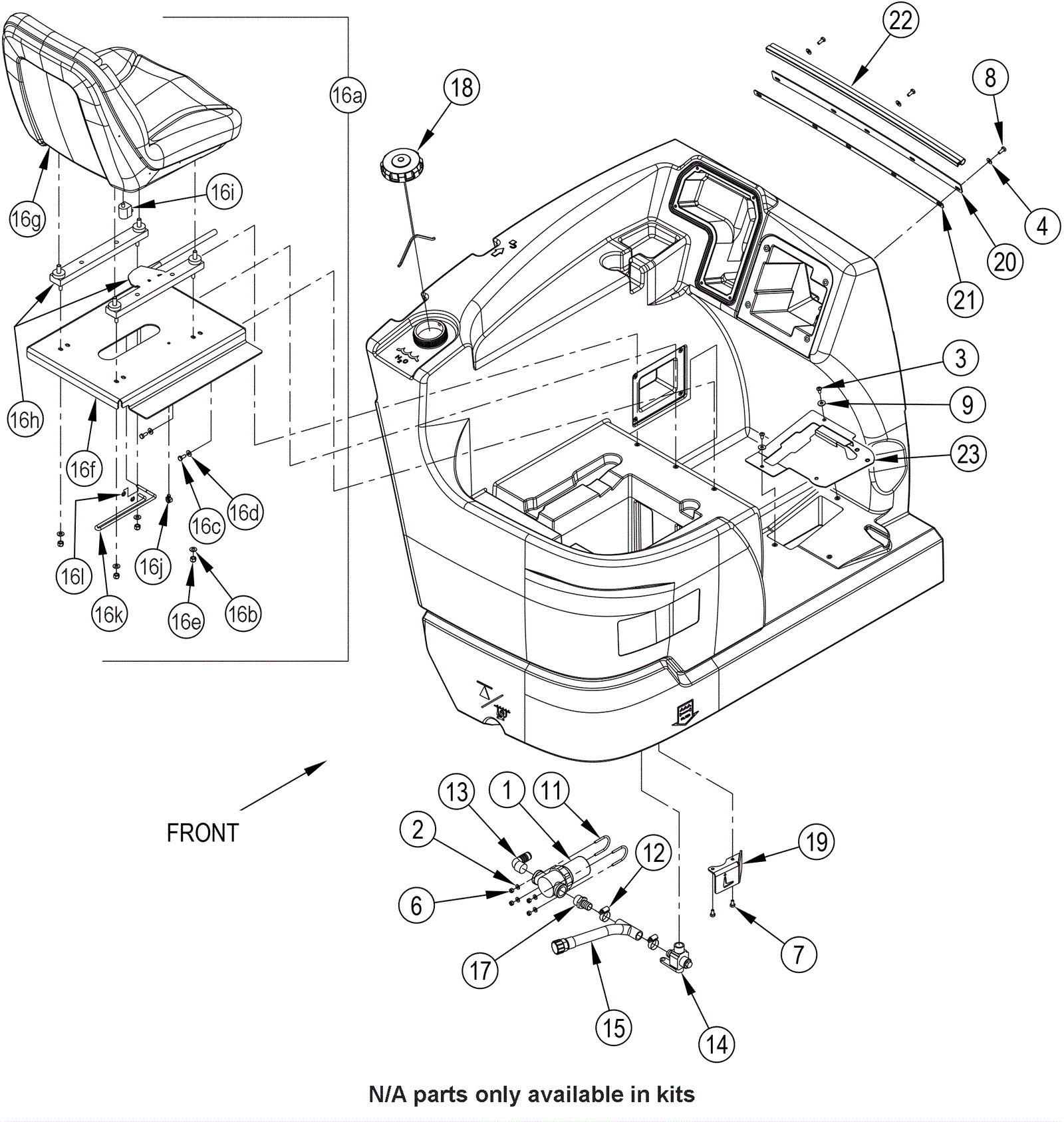
| # | Part | Description | Price | Req | Notes | Availability |
1a |
172-9347
|
Filter |
$46.67
|
1 |
(included in KIT1) |
usually ships 13-18 days |
1b |
472-8045
|
GASKET-FILTER |
$14.41
|
1 |
(for 1a) |
usually ships 13-18 days |
2 |
999-1862
|
Washer #10 flat SAE stainless steel |
$0.99
|
4 |
(included in KIT1 and KIT2) |
ships same day |
3 |
999-0522
|
Screw 1/4-20 x 1/2 pan head phillips stainless steel |
$1.03
|
4 |
(included in KIT2) |
ships same day |
4 |
999-0123
|
Washer 1/4 SAE flat zinc plated |
$0.99
|
3 |
(included in KIT2) |
ships same day |
6 |
999-0442
|
Nut 10-24 nylon insert lock stainless steel |
$1.76
|
4 |
(included in KIT1 and KIT2) |
ships same day |
7 |
999-1532
|
Screw 1/4-20 x 1/2 hex head stainless steel |
$0.99
|
2 |
(included in KIT1 and KIT2) |
ships same day |
8 |
999-1032
|
Screw 1/4-20 x 5/8 hex head stainless steel |
$0.99
|
5 |
(included in KIT2) |
ships same day |
9 |
999-6684
|
Washer 1/4 flat stainless steel |
$0.99
|
2 |
(included in KIT2) |
ships same day |
11 |
272-3968
|
U-bolt |
$12.89
|
2 |
(included in KIT1) |
usually ships 1-5 days |
12 |
N/A
|
Not available |
Call for price
|
2 |
(hose sae clamp #10) (only available with KIT1) |
usually ships 3-26 days |
13 |
472-6384
|
BARB ELBOW MALE 90 E00037 |
$12.89
|
1 |
(included in KIT1) |
usually ships 13-18 days |
14 |
N/A
|
Not available |
Call for price
|
1 |
(solution valve) (only available with KIT1) |
usually ships 3-26 days |
15 |
472-7786
|
HOSE ASSY |
$41.97
|
1 |
(included in KIT1) |
usually ships 13-18 days |
16a |
372-3308
|
Seat assembly |
$821.12
|
1 |
(includes 16b-16l) |
usually ships 13-18 days |
16b |
999-0024
|
Washer 5/16 flat stainless steel |
$1.34
|
4 |
|
ships same day |
16c |
272-1465
|
Screw 1/4-20 X 5/8 hex head lock |
$12.89
|
3 |
|
usually ships 1-5 days |
16d |
999-0123
|
Washer 1/4 SAE flat zinc plated |
$0.99
|
3 |
|
ships same day |
16e |
999-0211
|
Nut 5/16-18 hex nylon insert lock zinc plated |
$0.99
|
4 |
|
ships same day |
16f |
372-3309
|
Seat mount weldment |
$227.23
|
1 |
|
usually ships 13-18 days |
16g |
472-7850
|
SEAT-8 IN. MOUNT |
$377.34
|
1 |
|
usually ships 13-18 days |
16h |
170-8321
|
Seat adjuster kit |
$256.29
|
1 |
|
usually ships 1-5 days |
16i |
272-9417
|
Seat switch |
$24.09
|
1 |
|
usually ships 13-18 days |
16j |
272-2177
|
Conduit clip |
$12.89
|
1 |
|
usually ships 13-18 days |
16k |
372-3310
|
Prop rod |
$43.48
|
1 |
|
usually ships 13-18 days |
16l |
172-0392
|
Retaining ring |
$11.35
|
2 |
|
usually ships 13-18 days |
17 |
172-0261
|
Barb adapter |
$12.89
|
1 |
(included in KIT1) |
usually ships 13-18 days |
18 |
272-9352
|
Raw cap with tether |
$66.03
|
1 |
|
usually ships 13-18 days |
19 |
N/A
|
Not available |
Call for price
|
1 |
(valve shield) (only available with KIT1) |
usually ships 3-26 days |
20 |
372-2942
|
Plate seal |
$25.75
|
1 |
|
usually ships 13-18 days |
21 |
372-2943
|
Plate spacer |
$14.41
|
1 |
|
usually ships 13-18 days |
22 |
372-2945
|
Bulb seal |
$37.27
|
1 |
|
usually ships 13-18 days |
23 |
372-3311
|
Cover weldment (OBSOLETE) |
Call for price
|
1 |
|
usually ships 13-18 days |
KIT1 |
472-7789
|
FILTER KIT-SOLUTION |
$416.88
|
1 |
(includes 1a, 2, 6-7, 11-15, 17, 19) |
usually ships 13-18 days |
KIT2 |
372-3312
|
Solution system hardware kit |
$6.51
|
1 |
(includes 2-9) |
usually ships 13-18 days |