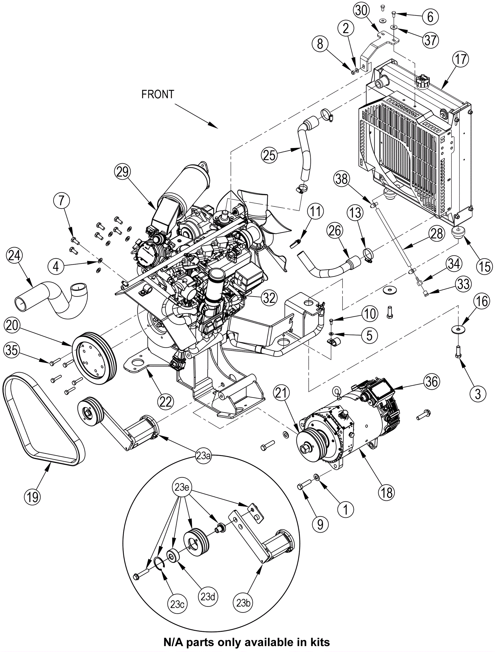
| # | Part | Description | Price | Req | Notes | Availability |
1 |
999-0114
|
Washer 1/2 SAE flat |
$0.99
|
3 |
|
ships same day |
2 |
999-0024
|
Washer 5/16 flat stainless steel |
$1.34
|
1 |
|
ships same day |
3 |
999-0558
|
Bolt 1/2-13 x 1 1/2 hex head stainless steel |
$1.67
|
2 |
|
ships same day |
4 |
999-0120
|
Washer 3/8 SAE flat |
$0.99
|
12 |
|
ships same day |
5 |
999-0123
|
Washer 1/4 SAE flat zinc plated |
$0.99
|
3 |
|
ships same day |
6 |
999-1383
|
Screw M6-1 x 16mm hex head stainless steel |
$3.96
|
2 |
|
ships same day |
7 |
172-4369
|
Screw M10-1 1/4 x 25mm hex head |
$12.89
|
12 |
|
usually ships 1-5 days |
8 |
999-1424
|
Nut M8-1.25 hex stainless steel |
$1.65
|
1 |
|
ships same day |
9 |
472-3516
|
SCR HEX THD TO HD 1/2-13X2.00 |
$12.89
|
3 |
|
usually ships 13-18 days |
10 |
999-0633
|
Bolt 1/4-20 x 5/8 hex head stainless steel |
$0.99
|
3 |
|
ships same day |
11 |
997-2005
|
Hose clamp |
$2.15
|
2 |
|
ships same day |
13 |
272-7768
|
Hose clamp |
$12.89
|
2 |
|
usually ships 1-5 days |
15 |
172-9852
|
Isolator mount |
$53.61
|
2 |
|
usually ships 1-5 days |
16 |
372-1551
|
Washer |
$30.60
|
2 |
|
usually ships 13-18 days |
17 |
372-3176
|
Radiator |
$1,042.64
|
1 |
(order 372-3202 to replace) |
usually ships 13-18 days |
18a |
372-3177
|
42V alternator |
$9,298.25
|
1 |
|
usually ships 13-18 days |
18b |
372-3178
|
Sheave |
$225.10
|
1 |
(for 18a) |
usually ships 13-18 days |
19 |
372-1567
|
Belt |
$154.42
|
1 |
|
ships same day |
20 |
372-1568
|
Sheave |
$818.29
|
1 |
|
usually ships 13-18 days |
21 |
372-3178
|
Sheave |
$225.10
|
1 |
|
usually ships 13-18 days |
22 |
N/A
|
Not available |
Call for price
|
1 |
|
usually ships 3-26 days |
23a |
N/A
|
Not available |
Call for price
|
1 |
(tensioner assembly) (includes 23b-23e) |
usually ships 3-26 days |
23b |
372-1555
|
Automatic tensioner |
$665.31
|
1 |
|
usually ships 13-18 days |
23c |
172-4412
|
Retaining ring |
$12.89
|
1 |
|
usually ships 1-5 days |
23d |
372-1556
|
Bearing |
$86.94
|
1 |
|
usually ships 13-18 days |
23e |
372-1557
|
Idler pulley kit |
$440.97
|
1 |
|
usually ships 13-18 days |
24 |
372-1559
|
Air cleaner hose |
$76.04
|
1 |
|
usually ships 13-18 days |
25 |
372-1560
|
Radiator hose |
$83.92
|
1 |
|
usually ships 13-18 days |
26 |
372-1561
|
Radiator hose |
$101.65
|
1 |
|
usually ships 13-18 days |
28 |
372-1549
|
Coolant hose |
$11.35
|
1 |
|
usually ships 13-18 days |
29 |
N/A
|
Not available |
Call for price
|
1 |
(see LPG Engine Assembly) |
usually ships 3-26 days |
30 |
372-3203
|
Radiator support bracket |
$56.65
|
1 |
|
usually ships 13-18 days |
32 |
372-3204
|
Intake hose assembly |
$232.99
|
1 |
|
usually ships 13-18 days |
33 |
372-1564
|
Pipe plug |
$12.89
|
1 |
|
usually ships 13-18 days |
34 |
181-1100
|
Female hose barb |
$11.35
|
1 |
|
usually ships 13-18 days |
35 |
372-1064
|
Screw M8-1.25 x 40mm |
$15.17
|
5 |
|
usually ships 1-5 days |
36 |
472-7917
|
VOLTAGE REGULATOR KIT-42V |
$1,923.82
|
1 |
|
usually ships 13-18 days |
37 |
372-1036
|
Washer 6mm |
$14.18
|
2 |
|
usually ships 1-5 days |
38 |
170-5169
|
Hose clamp SAE #4 |
$11.35
|
2 |
|
ships same day |