| # | Part | Description | Price | Req | Notes | Availability |
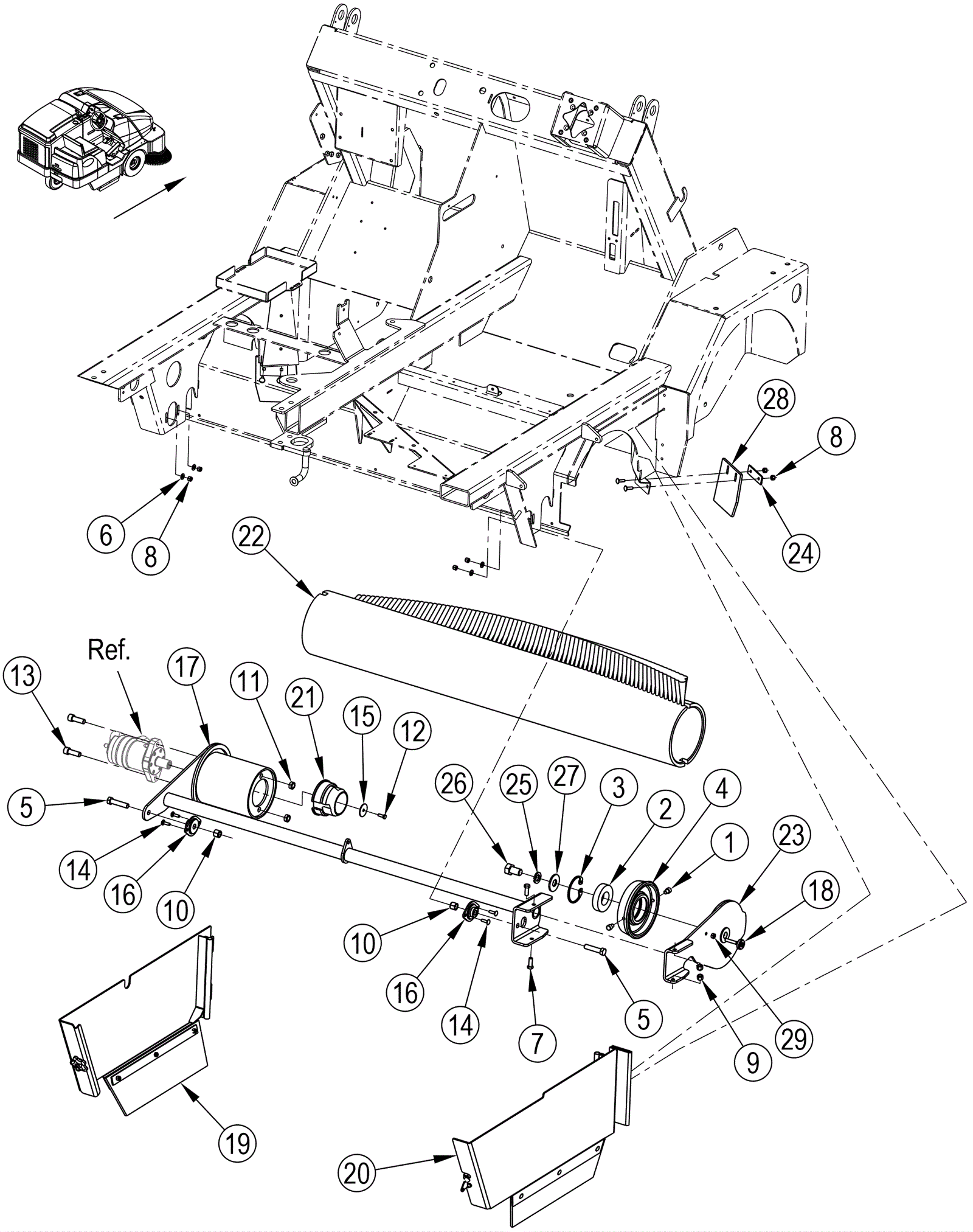
1 |
272-6894
|
Screw 3/8-20 x 1/2 |
$12.89
|
2 |
|
usually ships 1-5 days |
2 |
272-6893
|
Bearing |
$166.45
|
1 |
|
usually ships 1-5 days |
3 |
272-6912
|
Retaining ring |
$5.50
|
1 |
|
ships same day |
4 |
272-6895
|
Idler |
$457.31
|
1 |
|
usually ships 1-5 days |
5 |
372-2463
|
Screw 1/2-13 x 2 1/4 hex head |
$12.89
|
2 |
|
usually ships 13-18 days |
6 |
999-0123
|
Washer 1/4 SAE flat zinc plated |
$0.99
|
4 |
|
ships same day |
7 |
999-0562
|
Bolt 3/8-16 x 1 hex head stainless steel |
$1.50
|
2 |
|
ships same day |
8 |
999-0294
|
Nut 1/4-20 hex nylon lock type NE stainless steel |
$1.18
|
11 |
|
ships same day |
9 |
999-0188
|
Nut 3/8-16 nylon insert lock zinc plated |
$0.99
|
2 |
|
ships same day |
10 |
999-1208
|
Nut 1/2-13 nylon insert lock stainless steel |
$2.53
|
2 |
|
ships same day |
11 |
999-0262
|
Nut 1/2-13 nylon insert jam lock zinc plated |
$0.99
|
2 |
|
ships same day |
12 |
272-1596
|
Bolt 1/4-20 x 3/4 hex head lock |
$14.41
|
1 |
|
usually ships 1-5 days |
13 |
272-2984
|
Screw 1/2 - 13 x 1 1/2, socket head |
$10.52
|
2 |
|
usually ships 1-5 days |
14 |
272-3545
|
Screw 1/4-20 x 8/9 carriage |
$14.18
|
8 |
|
usually ships 1-5 days |
15 |
272-9793
|
Washer fender .281 x 1.5 x .074 |
$14.18
|
1 |
|
usually ships 1-5 days |
16 |
372-2464
|
Bearing |
$41.83
|
2 |
|
usually ships 13-18 days |
17 |
372-2465
|
Broom hanger weldment |
$753.78
|
1 |
|
usually ships 13-18 days |
18 |
472-7690
|
LEVELER 5/16-18 |
$15.85
|
1 |
|
usually ships 13-18 days |
19 |
372-2466
|
Left broom door assembly |
$545.79
|
1 |
(see main broom system 2) |
usually ships 13-18 days |
20 |
372-2467
|
Right broom door assembly |
$553.52
|
1 |
(see main broom system 2) |
usually ships 13-18 days |
21 |
372-2468
|
Hub |
$273.28
|
1 |
|
usually ships 13-18 days |
22 |
372-2469
|
Proex wire main broom |
$577.59
|
1 |
|
usually ships 13-18 days |
23 |
372-2470
|
Broom weldment bracket |
$240.68
|
1 |
|
usually ships 13-18 days |
24 |
372-2325
|
Front tire rear flap strap |
$12.89
|
2 |
|
usually ships 13-18 days |
25 |
272-6892
|
Helical spring lock washer |
$12.89
|
1 |
|
usually ships 13-18 days |
26 |
272-6911
|
Screw 3/4-10 x 1 1/4 |
$12.89
|
1 |
|
usually ships 13-18 days |
27 |
272-6914
|
Flat washer |
$12.89
|
1 |
|
ships same day |
28 |
372-2471
|
Front tire trail flap |
$12.89
|
2 |
|
usually ships 13-18 days |
29 |
999-0423
|
Nut 5/16-18 nylon insert lock stainless steel |
$0.99
|
1 |
|
ships same day |