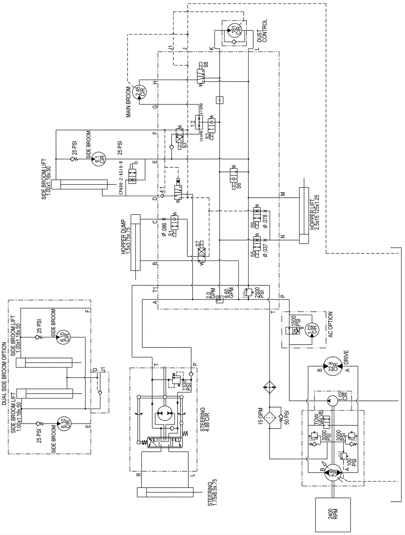
Hydraulic Schematic - 4 Cylinder Models
Click to enlarge