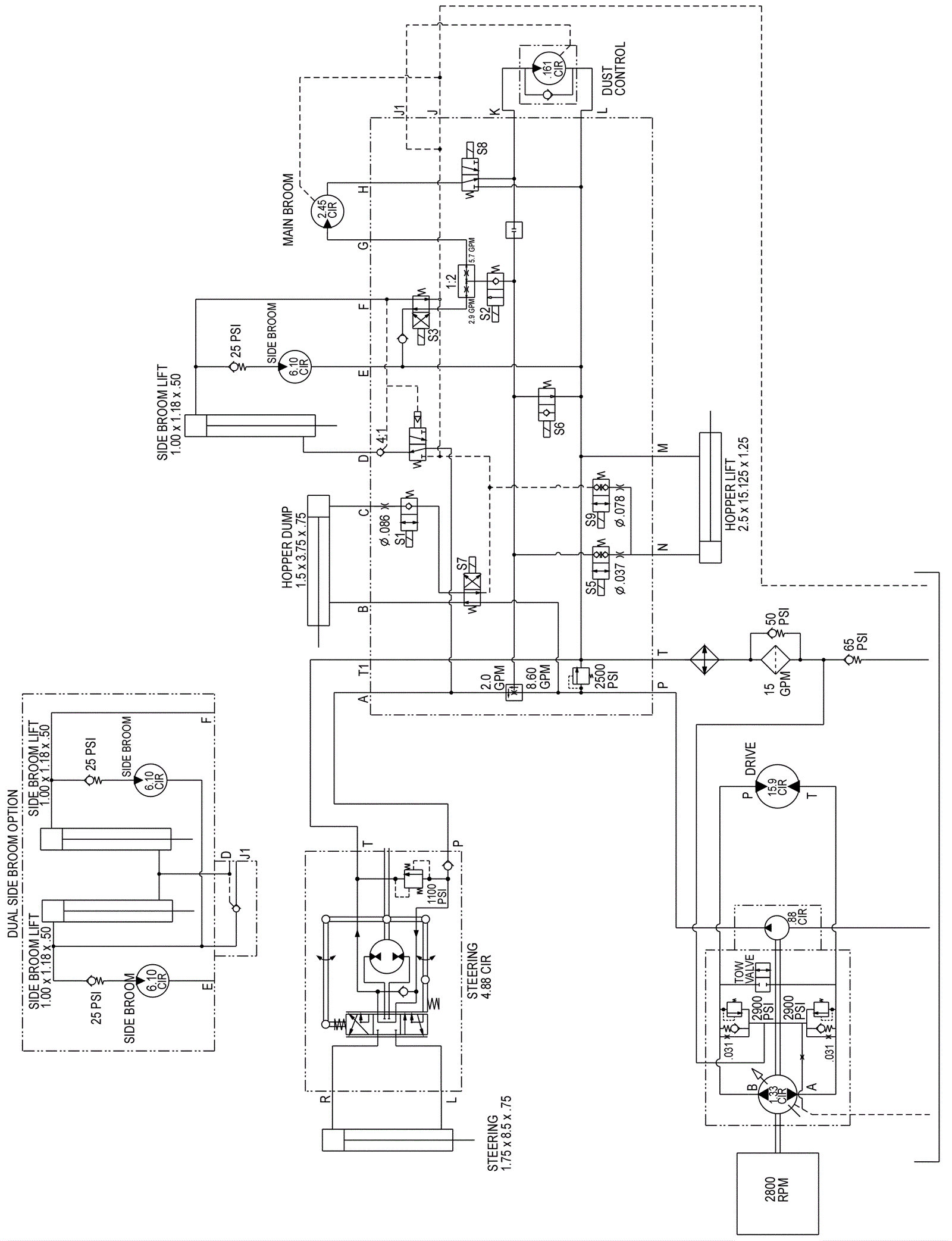
Hydraulic Schematic - 3 Cylinder Models
Click to enlarge