| # | Part | Description | Price | Req | Notes | Availability |
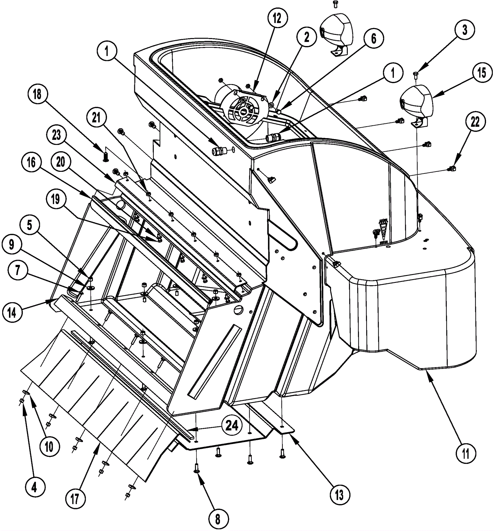
1 |
172-4018
|
Strain relief |
$14.41
|
2 |
|
usually ships 13-18 days |
2 |
999-0024
|
Washer 5/16 flat stainless steel |
$1.34
|
2 |
|
ships same day |
3 |
999-0494
|
Bolt 5/16-18 x 7/8 hex head stainless steel |
$0.99
|
2 |
|
ships same day |
4 |
999-0294
|
Nut 1/4-20 hex nylon lock type NE stainless steel |
$1.18
|
5 |
|
ships same day |
5 |
999-0423
|
Nut 5/16-18 nylon insert lock stainless steel |
$0.99
|
10 |
|
ships same day |
6 |
272-9785
|
Screw 5/16-18 x 5/8 hex head lock |
$14.18
|
2 |
|
usually ships 13-18 days |
7 |
472-3508
|
SCR CARRIAGE SS 1/4-20X2.50 |
$12.89
|
5 |
|
usually ships 13-18 days |
8 |
272-3545
|
Screw 1/4-20 x 8/9 carriage |
$14.18
|
10 |
|
usually ships 1-5 days |
9 |
172-2067
|
Washer 11/32 x 1/8 flat |
$12.89
|
10 |
|
usually ships 13-18 days |
10 |
472-3635
|
WSH BEVEL 1/4 |
$12.89
|
5 |
|
usually ships 13-18 days |
11 |
372-2316
|
Hopper |
$2,565.04
|
1 |
|
usually ships 13-18 days |
12 |
372-2317
|
Vacuum fan screen |
$34.23
|
1 |
|
usually ships 13-18 days |
13 |
372-2318
|
Hopper skid plate |
$273.28
|
1 |
|
usually ships 13-18 days |
14 |
572-0628
|
CLAMP HOPPER FLAP |
$83.92
|
1 |
|
ships same day |
15 |
372-2319
|
Head light assembly |
$67.56
|
2 |
|
usually ships 13-18 days |
16 |
372-2320
|
Door hinge seal |
$131.95
|
1 |
|
usually ships 13-18 days |
17 |
372-2321
|
Hopper flap |
$201.03
|
1 |
|
usually ships 13-18 days |
18 |
372-2322
|
Panel clip |
$12.89
|
4 |
|
usually ships 13-18 days |
19 |
999-0822
|
Screw 1/4-20 x 7/8 hex head plain finish |
$0.99
|
6 |
|
ships same day |
20 |
999-0123
|
Washer 1/4 SAE flat zinc plated |
$0.99
|
6 |
|
ships same day |
21 |
999-0211
|
Nut 5/16-18 hex nylon insert lock zinc plated |
$0.99
|
6 |
|
ships same day |
22 |
272-8754
|
Conduit clip |
$12.89
|
8 |
|
usually ships 1-5 days |
23 |
472-4158
|
CLAMP DOOR SEAL |
$59.84
|
1 |
|
usually ships 13-18 days |
23 |
572-1136
|
SEAL HOPPER SKID PLATE |
$16.20
|
1 |
|
usually ships 13-18 days |
N/S |
272-7703
|
Headlight replacement bulb |
$27.26
|
1 |
|
usually ships 13-18 days |