| # | Part | Description | Price | Req | Notes | Availability |
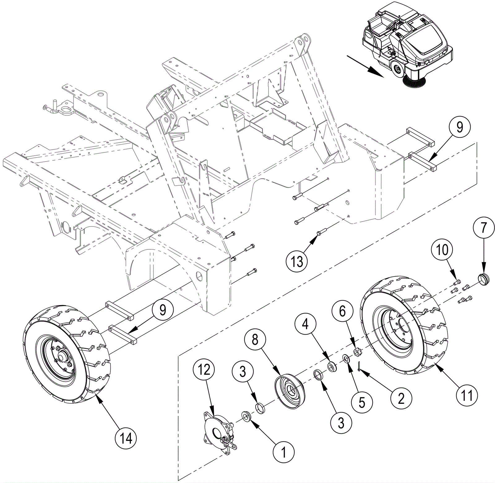
1 |
272-4957
|
Bearing cone with seal |
$120.29
|
1 |
(these quantities are for a single front wheel assembly, there are two front wheel assmeblies on the machine) |
usually ships 1-5 days |
2 |
170-7716
|
Cotter pin |
$12.89
|
1 |
(these quantities are for a single front wheel assembly, there are two front wheel assmeblies on the machine) |
usually ships 1-5 days |
3 |
272-4956
|
Bearing cup |
$15.17
|
2 |
(these quantities are for a single front wheel assembly, there are two front wheel assmeblies on the machine) |
usually ships 1-5 days |
4 |
272-4958
|
Cone bearing |
$57.16
|
1 |
(these quantities are for a single front wheel assembly, there are two front wheel assmeblies on the machine) |
usually ships 1-5 days |
5 |
372-1249
|
Flat washer |
$15.17
|
1 |
(these quantities are for a single front wheel assembly, there are two front wheel assmeblies on the machine) |
usually ships 13-18 days |
6 |
999-1890
|
Nut 1-14 slotted |
$8.79
|
1 |
(these quantities are for a single front wheel assembly, there are two front wheel assmeblies on the machine) |
usually ships 1-5 days |
7 |
272-3783
|
Grease cap |
$37.27
|
1 |
(these quantities are for a single front wheel assembly, there are two front wheel assmeblies on the machine) |
usually ships 1-5 days |
8 |
472-4154
|
HUB AND DRUM-MACHINED |
$288.88
|
1 |
(these quantities are for a single front wheel assembly, there are two front wheel assmeblies on the machine) |
usually ships 13-18 days |
9 |
372-2300
|
Spacer |
$66.95
|
4 |
|
usually ships 13-18 days |
10 |
272-7699
|
Wheel stud |
$5.50
|
5 |
(these quantities are for a single front wheel assembly, there are two front wheel assmeblies on the machine) |
usually ships 1-5 days |
11 |
372-2301
|
Wheel assembly |
$1,170.81
|
1 |
(these quantities are for a single front wheel assembly, there are two front wheel assmeblies on the machine) |
usually ships 13-18 days |
12a |
372-2302
|
Axle shaft assembly |
$673.94
|
1 |
(these quantities are for a single front wheel assembly, there are two front wheel assmeblies on the machine) |
usually ships 13-18 days |
12b |
272-3074
|
Brake shoe |
$125.72
|
1 |
(use 2 per break assembly) |
usually ships 13-18 days |
12c |
272-3075
|
Spring |
$14.41
|
1 |
(use 2 per break assembly) |
usually ships 13-18 days |
13 |
472-3471
|
SCR HEX 1/2-20 X 2.00 |
$12.89
|
8 |
|
usually ships 13-18 days |
14 |
372-2303
|
Front wheel assembly |
$2,645.79
|
2 |
(includes 1-8, 10-12) |
usually ships 13-18 days |
N/S |
372-2304
|
Rim assembly 6 x 9 x 4 |
$225.10
|
1 |
|
usually ships 13-18 days |
N/S |
372-2305
|
Pneumatic tire 6 x 9 |
$415.07
|
1 |
|
usually ships 13-18 days |
N/S |
372-2306
|
Tube |
$69.07
|
1 |
|
usually ships 13-18 days |
N/S |
372-2307
|
Flap (OBSOLETE) |
$46.22
|
1 |
|
usually ships 13-18 days |