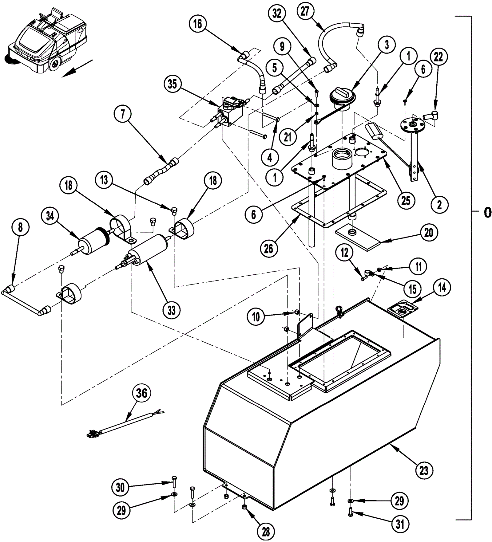
| # | Part | Description | Price | Req | Notes | Availability |
0 |
272-6461
|
Petrol assembly tank |
$2,365.00
|
1 |
(includes 1-27) |
usually ships 1-5 days |
1 |
272-7862
|
Quick connect fitting |
$94.68
|
2 |
|
usually ships 1-5 days |
2 |
272-3325
|
Fuel level sender |
$160.73
|
1 |
|
usually ships 13-18 days |
3 |
272-7868
|
Fuel cap |
$35.75
|
1 |
|
usually ships 1-5 days |
4 |
999-1892
|
Screw 1/4-20 x 2 hex cap stainless steel |
$1.52
|
2 |
|
ships same day |
5 |
999-1862
|
Washer #10 flat SAE stainless steel |
$0.99
|
1 |
|
ships same day |
6 |
999-0267
|
Screw 10-24 x 1/2 pan head phillips zinc |
$0.99
|
18 |
|
ships same day |
7 |
272-6465
|
Fuel hose assembly |
$85.14
|
1 |
|
usually ships 1-5 days |
8 |
272-6464
|
Fuel hose assembly |
$109.08
|
1 |
|
usually ships 1-5 days |
9 |
472-3446
|
SCR PAN PHIL 10-32 X .75 |
$9.13
|
1 |
|
usually ships 13-18 days |
10 |
999-0294
|
Nut 1/4-20 hex nylon lock type NE stainless steel |
$1.18
|
2 |
|
ships same day |
11 |
999-0199
|
Nut 10-24 nylon insert lock zinc plated |
$0.99
|
2 |
|
ships same day |
12 |
272-1473
|
Bolt 10-24 x 5/8 hex head |
$12.89
|
2 |
|
usually ships 1-5 days |
13 |
172-4889
|
Screw 3/8-16 x 1/2 hex lock |
$12.89
|
3 |
|
usually ships 1-5 days |
14 |
172-5459
|
Unleaded fuel decal |
$12.89
|
1 |
|
usually ships 1-5 days |
15 |
181-0774
|
Loop clamp |
$12.89
|
2 |
|
usually ships 1-5 days |
16 |
272-6463
|
Fuel hose assembly |
$94.75
|
1 |
|
usually ships 1-5 days |
18 |
272-9298
|
P-clamp |
$14.41
|
3 |
|
usually ships 1-5 days |
20 |
272-3327
|
Strainer |
$45.00
|
1 |
|
usually ships 1-5 days |
21 |
272-7863
|
Bushing |
$14.41
|
1 |
|
usually ships 1-5 days |
22 |
172-2303
|
Rubber boot |
$14.41
|
1 |
|
usually ships 1-5 days |
23 |
272-7864
|
Fuel tank weldment |
$2,004.56
|
1 |
|
usually ships 1-5 days |
25 |
272-7866
|
Cover plate weldment |
$649.85
|
1 |
|
usually ships 1-5 days |
26 |
272-7867
|
Cover gasket |
$12.89
|
1 |
|
usually ships 1-5 days |
27 |
272-6462
|
Fuel hose assembly |
$128.59
|
1 |
|
usually ships 1-5 days |
28 |
999-0294
|
Nut 1/4-20 hex nylon lock type NE stainless steel |
$1.18
|
2 |
|
ships same day |
29 |
999-0123
|
Washer 1/4 SAE flat zinc plated |
$0.99
|
4 |
|
ships same day |
30 |
372-2272
|
Screw 1/4-20 x 1 1/4 hex head |
$12.89
|
2 |
|
usually ships 13-18 days |
31 |
999-0822
|
Screw 1/4-20 x 7/8 hex head plain finish |
$0.99
|
2 |
|
ships same day |
32 |
372-2277
|
Fuel hose assembly (OBSOLETE) |
Call for price
|
1 |
|
usually ships 13-18 days |
33 |
272-6426
|
Fuel pump |
$1,571.33
|
1 |
|
usually ships 1-5 days |
34 |
272-6428
|
Fuel filter |
$94.68
|
1 |
|
usually ships 1-5 days |
35 |
272-6431
|
Fuel manifold |
$1,073.64
|
1 |
|
usually ships 1-5 days |
36 |
472-6474
|
WIRE ASM PIGTAIL |
$45.00
|
1 |
|
usually ships 13-18 days |