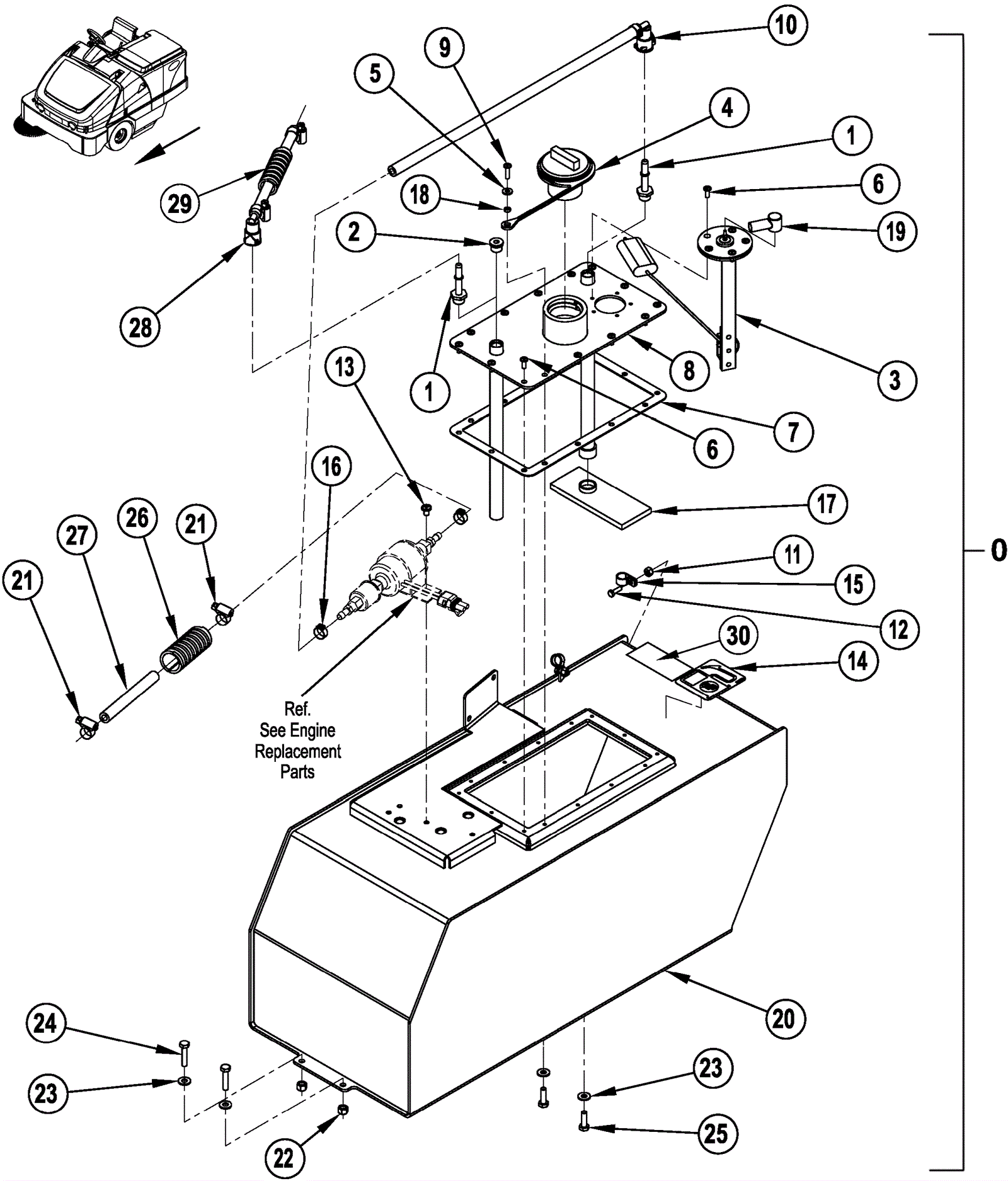
| # | Part | Description | Price | Req | Notes | Availability |
0a |
372-2271
|
Petrol tank assembly (OBSOLETE) |
Call for price
|
1 |
(includes 1-20) (gas/petrol models only) |
usually ships 13-18 days |
0b |
472-4190
|
TANK DIESEL ASSY EU |
$3,126.29
|
1 |
(includes 1, 3-20) (diesel models only) |
usually ships 13-18 days |
1 |
272-7862
|
Quick connect fitting |
$94.68
|
1 |
(qty 2 for diesel) |
usually ships 1-5 days |
2 |
272-3185
|
O-ring hex plug |
$38.79
|
1 |
(gas/petrol models only) |
usually ships 1-5 days |
3 |
272-3325
|
Fuel level sender |
$160.73
|
1 |
|
usually ships 13-18 days |
4 |
272-7868
|
Fuel cap |
$35.75
|
1 |
|
usually ships 1-5 days |
5 |
999-1862
|
Washer #10 flat SAE stainless steel |
$0.99
|
1 |
|
ships same day |
6 |
999-0267
|
Screw 10-24 x 1/2 pan head phillips zinc |
$0.99
|
18 |
|
ships same day |
7 |
272-7867
|
Cover gasket |
$12.89
|
1 |
|
usually ships 1-5 days |
8 |
272-7866
|
Cover plate weldment |
$649.85
|
1 |
|
usually ships 1-5 days |
9 |
999-0705
|
Screw 10-24 x 3/4 pan head phillips stainless steel |
$0.99
|
1 |
|
ships same day |
10 |
272-7865
|
Hose assembly |
$72.26
|
1 |
|
usually ships 1-5 days |
11 |
999-0199
|
Nut 10-24 nylon insert lock zinc plated |
$0.99
|
2 |
|
ships same day |
12 |
272-1473
|
Bolt 10-24 x 5/8 hex head |
$12.89
|
2 |
|
usually ships 1-5 days |
13 |
272-1562
|
Screw 1/4-20 x 3/5 pan head thread forming |
$11.35
|
1 |
|
ships same day |
14a |
172-5459
|
Unleaded fuel decal |
$12.89
|
1 |
(gas/petrol models only) |
usually ships 1-5 days |
14b |
172-5700
|
Diesel fuel decal |
$76.04
|
1 |
(diesel models only) |
usually ships 1-5 days |
15 |
181-0774
|
Loop clamp |
$12.89
|
2 |
|
usually ships 1-5 days |
16 |
272-7869
|
Clamp |
$12.89
|
1 |
(qty 2 for diesel) |
usually ships 1-5 days |
17 |
272-3327
|
Strainer |
$45.00
|
1 |
|
usually ships 1-5 days |
18 |
272-7863
|
Bushing |
$14.41
|
1 |
|
usually ships 1-5 days |
19 |
172-2303
|
Rubber boot |
$14.41
|
1 |
|
usually ships 1-5 days |
20 |
272-7864
|
Fuel tank weldment |
$2,004.56
|
1 |
|
usually ships 1-5 days |
21 |
170-5169
|
Hose clamp SAE #4 |
$11.35
|
2 |
(gas/petrol models only) |
ships same day |
22 |
999-0294
|
Nut 1/4-20 hex nylon lock type NE stainless steel |
$1.18
|
2 |
|
ships same day |
23 |
999-0123
|
Washer 1/4 SAE flat zinc plated |
$0.99
|
4 |
|
ships same day |
24 |
372-2272
|
Screw 1/4-20 x 1 1/4 hex head |
$12.89
|
2 |
|
usually ships 13-18 days |
25 |
999-0822
|
Screw 1/4-20 x 7/8 hex head plain finish |
$0.99
|
2 |
|
ships same day |
26 |
372-2273
|
Conduit |
$32.56
|
1 |
|
usually ships 13-18 days |
27 |
372-2274
|
Fuel line hose |
$62.89
|
1 |
|
usually ships 13-18 days |
28 |
372-2275
|
Hose assembly |
$125.72
|
1 |
(diesel models only) |
usually ships 13-18 days |
29 |
372-2276
|
Conduit |
$25.75
|
1 |
(diesel models only) |
usually ships 13-18 days |
30 |
272-7874
|
Low sulfur diesel decal |
$12.89
|
1 |
(diesel models only) |
usually ships 1-5 days |