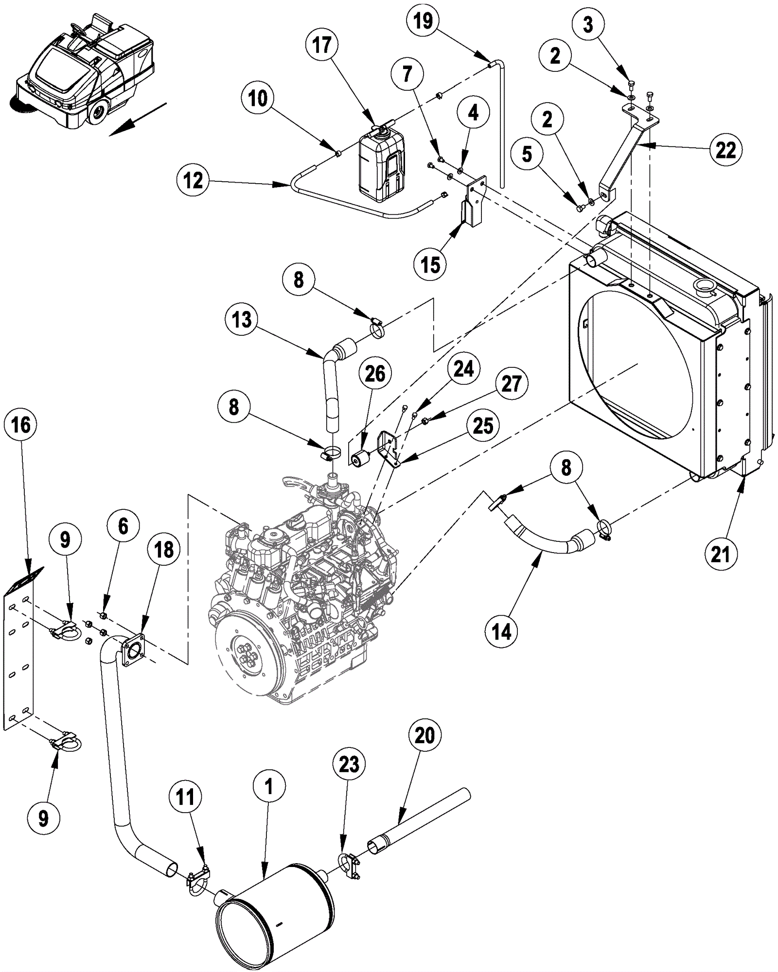
| # | Part | Description | Price | Req | Notes | Availability |
1 |
372-2161
|
Muffler |
$778.70
|
1 |
|
usually ships 13-18 days |
2 |
999-0024
|
Washer 5/16 flat stainless steel |
$1.34
|
3 |
|
ships same day |
3 |
999-0494
|
Bolt 5/16-18 x 7/8 hex head stainless steel |
$0.99
|
2 |
|
ships same day |
4 |
999-0123
|
Washer 1/4 SAE flat zinc plated |
$0.99
|
2 |
|
ships same day |
5 |
272-1810
|
Screw 5/16-18 x 1/2 hex lock |
$14.41
|
1 |
|
usually ships 1-5 days |
6 |
999-0471
|
Nut M8-1.25 nylon insert lock zinc plated |
$0.99
|
4 |
|
ships same day |
7 |
999-0360
|
Screw 1/4-20 x 3/8 hex head thread rolling unslotted |
$0.99
|
2 |
|
ships same day |
8 |
272-7412
|
Hose clamp |
$5.50
|
4 |
|
usually ships 13-18 days |
9 |
272-3274
|
Muffler clamp |
$48.17
|
2 |
|
usually ships 1-5 days |
10 |
272-3330
|
Hose band clamp |
$12.89
|
3 |
|
usually ships 1-5 days |
11 |
372-1061
|
Muffler clamp |
$12.89
|
1 |
|
usually ships 1-5 days |
12 |
572-0269
|
HOSE ASSY 1/4X22.00 E00529 |
$12.89
|
1 |
|
usually ships 13-18 days |
13 |
372-2169
|
Upper radiator hose (OBSOLETE) |
$30.47
|
1 |
|
usually ships 13-18 days |
14 |
372-2170
|
Lower radiator hose |
$41.97
|
1 |
|
usually ships 13-18 days |
15 |
372-2171
|
Recovery bottle bracket (OBSOLETE) |
$124.88
|
1 |
|
usually ships 13-18 days |
16 |
372-2172
|
Exhaust heat shield |
$177.07
|
1 |
|
usually ships 13-18 days |
17 |
372-2173
|
Overflow bottle |
$194.27
|
1 |
|
usually ships 13-18 days |
18 |
372-2174
|
Exhaust assembly |
$163.46
|
1 |
|
usually ships 13-18 days |
19 |
372-2175
|
Coolant overflow hose |
$25.75
|
1 |
|
usually ships 13-18 days |
20 |
372-2176
|
Tail pipe |
$53.61
|
1 |
|
usually ships 13-18 days |
21 |
N/A
|
Not available |
Call for price
|
1 |
(radiator) (see radiator assembly) |
usually ships 3-26 days |
22 |
372-2177
|
Radiator support bracket |
$38.02
|
1 |
|
usually ships 13-18 days |
23 |
372-2178
|
Muffler clamp |
$12.89
|
1 |
|
usually ships 13-18 days |
24 |
999-9116
|
Screw M6-1 x 12mm hex head stainless steel |
$0.99
|
2 |
|
ships same day |
25 |
372-2179
|
Upper radiator mount bracket (OBSOLETE) |
Call for price
|
1 |
|
usually ships 13-18 days |
26 |
372-1550
|
Engine isolator |
$37.27
|
1 |
|
usually ships 13-18 days |
27 |
999-0211
|
Nut 5/16-18 hex nylon insert lock zinc plated |
$0.99
|
1 |
|
ships same day |