| # | Part | Description | Price | Req | Notes | Availability |
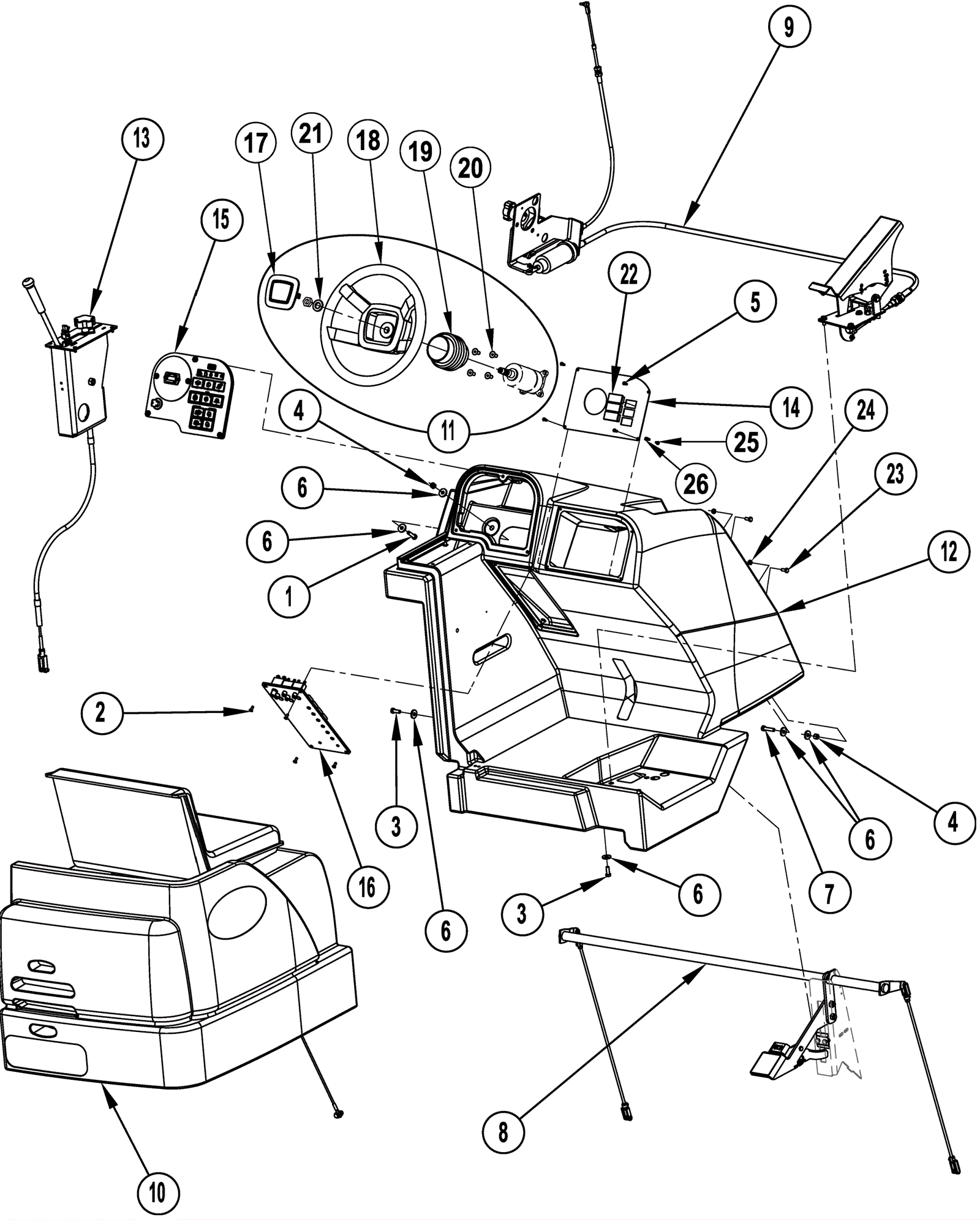
1 |
999-0829
|
Screw 5/16-18 x 1 1/4 hex head plain finish |
$0.99
|
1 |
|
ships same day |
2 |
999-0267
|
Screw 10-24 x 1/2 pan head phillips zinc |
$0.99
|
4 |
|
ships same day |
3 |
181-0983
|
Screw 5/16-18 x 7/8 hex head |
$12.89
|
2 |
|
usually ships 1-5 days |
4 |
999-0211
|
Nut 5/16-18 hex nylon insert lock zinc plated |
$0.99
|
2 |
|
ships same day |
5 |
181-1165
|
Screw 8-15 x 1/2 pan head phillips |
$12.89
|
4 |
|
usually ships 13-18 days |
6 |
172-2067
|
Washer 11/32 x 1/8 flat |
$12.89
|
6 |
|
usually ships 13-18 days |
7 |
172-5929
|
Screw 5-16-18 x 1.38 |
$11.35
|
1 |
|
usually ships 1-5 days |
8 |
372-2042
|
Break pedal assembly |
$785.74
|
1 |
(see break pedal assembly) |
usually ships 13-18 days |
9a |
372-2053
|
4 cylinder foward/reverse control assembly |
$2,004.56
|
1 |
(see forward/reverse control assembly) |
usually ships 13-18 days |
9b |
372-2054
|
3 cylinder foward/reverse control assembly (OBSOLETE) |
Call for price
|
1 |
(see forward/reverse control assembly) |
usually ships 13-18 days |
10a |
372-2055
|
Seat assembly (grey) |
$1,843.84
|
1 |
(non cab models) (see seat assembly) |
usually ships 13-18 days |
10b |
372-2056
|
Seat assembly (green) (OBSOLETE) |
Call for price
|
1 |
(advance model 56307252) (see seat assembly) |
usually ships 13-18 days |
11 |
372-2057
|
Steering assembly |
$256.89
|
1 |
(includes 17-21) |
usually ships 13-18 days |
12a |
372-2058
|
Console (grey) |
$893.19
|
1 |
|
usually ships 13-18 days |
12b |
372-2059
|
Console (green) (OBSOLETE) |
Call for price
|
1 |
(advance model 56307252) |
usually ships 13-18 days |
13a |
372-2060
|
Lift broom assembly (grey) |
$898.30
|
1 |
(see lift broom assembly) |
usually ships 13-18 days |
13b |
372-2061
|
Lift broom assembly (green) (OBSOLETE) |
Call for price
|
1 |
(advance model 56307252) (see lift broom assembly) |
usually ships 13-18 days |
14 |
472-4141
|
PANEL-STANDARD ASSY |
$59.84
|
1 |
(after SN 1000023622) |
usually ships 13-18 days |
15a |
372-2062
|
LPG gauge panel assembly |
$1,218.82
|
1 |
(see gauge panel assembly) |
usually ships 13-18 days |
15b |
372-2063
|
Petrol gauge panel assembly (OBSOLETE) |
$1,416.53
|
1 |
(see gauge panel assembly) |
usually ships 13-18 days |
15c |
372-2308
|
Diesel gauge panel assembly (OBSOLETE) |
$1,033.67
|
1 |
(see gauge panel assembly) |
usually ships 13-18 days |
15d |
372-2065
|
Gauge panel assembly (OBSOLETE) |
Call for price
|
1 |
(advance model 56307252) |
usually ships 13-18 days |
16a |
372-2051
|
LPG/Petrol panel assembly |
$425.50
|
1 |
(see circuit breaker panel assembly) |
usually ships 13-18 days |
16b |
272-7730
|
Vaporizer |
$3,287.00
|
1 |
(advance model 56307252) (see circuit breaker panel assembly) |
usually ships 1-5 days |
16c |
372-2050
|
Disel panel assembly |
$416.88
|
1 |
(see circuit breaker panel assembly) |
usually ships 13-18 days |
17 |
272-7657
|
Steering wheel cover |
$12.89
|
1 |
|
usually ships 1-5 days |
18 |
272-2969
|
Steering wheel |
$192.54
|
1 |
|
usually ships 1-5 days |
19 |
372-2066
|
Heat shield hose |
$24.09
|
1 |
|
usually ships 13-18 days |
20 |
472-3522
|
SCR FLT SOC M8-1.25 X 20MM |
$12.89
|
4 |
|
usually ships 13-18 days |
21 |
181-1076
|
Washer 11/16 x 1 1/4 flat |
$12.89
|
1 |
|
usually ships 1-5 days |
22 |
372-2067
|
Blank switch cover |
$12.89
|
3 |
|
usually ships 13-18 days |
23 |
999-1032
|
Screw 1/4-20 x 5/8 hex head stainless steel |
$0.99
|
2 |
|
ships same day |
24 |
999-0152
|
Nut 1/4-20 nylon insert lock zinc plated |
$0.99
|
2 |
|
ships same day |
25 |
999-0452
|
Screw 8-32 x 3/8 pan head phillips zinc plated |
$0.99
|
1 |
(after SN 1000023622) |
ships same day |
26 |
372-1303
|
Quick connect |
$12.89
|
1 |
(after SN 1000023622) |
usually ships 13-18 days |